EasyManua.ls Logo

Satchwell ALE 1302 - Wiring Connection Diagrams; ALM;ALX Basic Wiring; ALE Actuator Wiring Schematics

Default Icon
10 pages
Print Icon
To Next Page IconTo Next Page
To Next Page IconTo Next Page
To Previous Page IconTo Previous Page
To Previous Page IconTo Previous Page
Loading...
11/99 9 - 10 DS 3.401
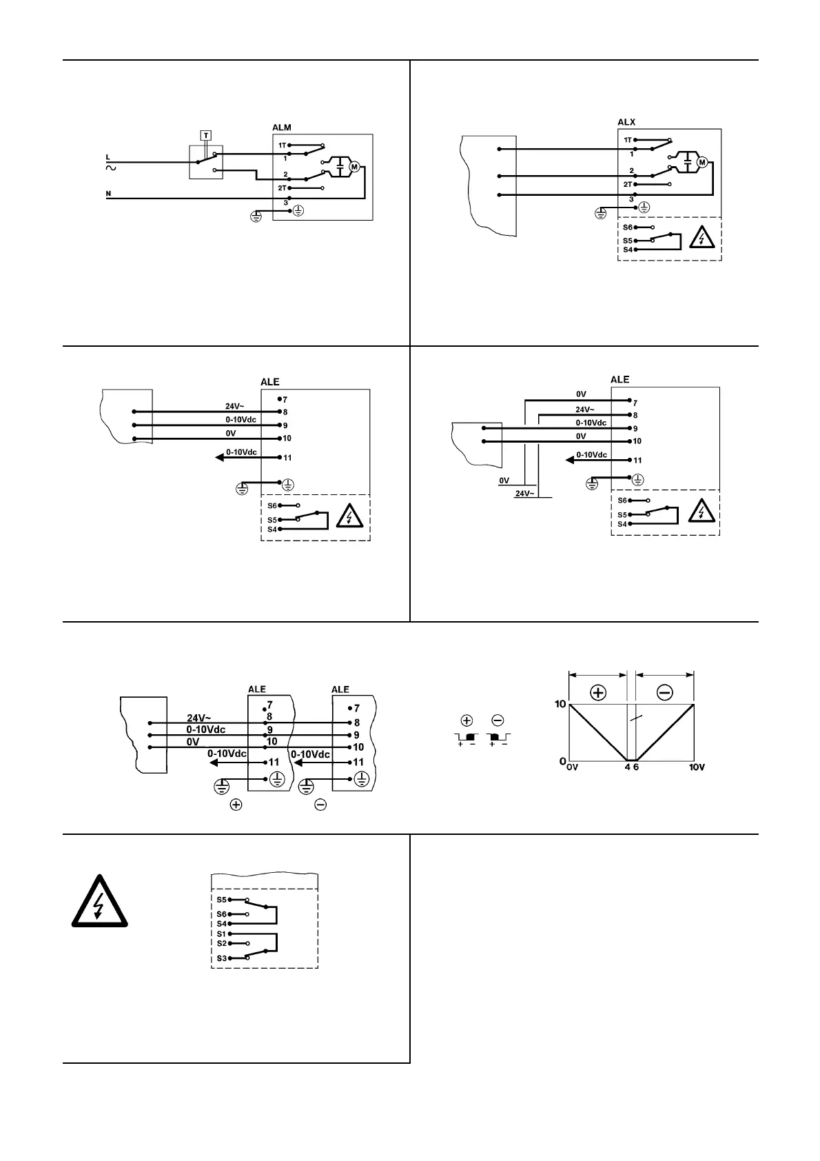
CONNECTION DIAGRAMS
BASIC DIAGRAM FOR ALM MAINS ACTUATORS BASIC DIAGRAM FOR ALX 24 VOLT ACTUATORS
BASIC DIAGRAM FOR ALE ACTUATORS SEPARATE 24 VOLT POWER SUPPLY TO ALE
TWO-STAGE SEQUENTIAL OPERATION
from one 0-10 volt command signal incorporating dead zone
AUXILIARY SWITCH 831-1-211
Fig.9
Signal on 1 drives towards '10'
Signal on 2 drives towards '0'
Thermostat or other
switching device
Note: Do not connect
ALM actuators in parallel
WARNING -
MAINS VOLTAGE ISOLATORS MUST CONFORM TO EN 60335-1.
Signal on 1 drives towards '10'
Signal on 2 drives towards '0'
Note: Do not connect
ALX actuators in parallel
Controller
Auxiliary Switch
ALX 1251 only
S4 makes to S5 at position '0'
Non-adjustable
WARNINGS -
AUXILIARY SWITCHES MAY BE AT MAINS POTENTIAL.
MAINS VOLTAGE ISOLATORS MUST CONFORM TO EN 60335-1.
24VAC DEVICES MUST BE SUPPLIED BY A TRANSFORMER
CONFORMING TO EN 60742.
Fig.10
Fig.11
Controller
Auxiliary Switch
ALE 1352 only
S4makestoS6atposition'0'
Non-adjustable
WARNINGS -
AUXILIARY SWITCHES MAY BE AT MAINS POTENTIAL.
MAINS VOLTAGE ISOLATORS MUST CONFORM TO EN 60335-1.
24VAC DEVICES MUST BE SUPPLIED BY A TRANSFORMER
CONFORMING TO EN 60742.
Fig.12
WARNINGS -
AUXILIARY SWITCHES MAY BE AT MAINS POTENTIAL.
MAINS VOLTAGE ISOLATORS MUST CONFORM TO EN 60335-1.
24VAC DEVICES MUST BE SUPPLIED BY A TRANSFORMER
CONFORMING TO EN 60742.
Auxiliary Switch
ALE 1352 only
S5makestoS6atposition'0'
Non-adjustable
Controller
Ring Main
Fig.13
Controller
Set 'Switch' to
Set 'START' to 0V 6V
Set 'SPAN' to 4V 4V
STAGE 1
(Heating)
STAGE 2
(Cooling)
STAGE 1
(Heating)
STAGE 2
(Cooling)
Dead
Zone
Controller Output Signal
OUTPUT DIAGRAM
230Vac
Fig.14
WARNINGS -
AUXILIARY SWITCHES MAY BE AT MAINS POTENTIAL.
MAINS VOLTAGE ISOLATORS MUST CONFORM TO EN 60335-1.
Auxiliary
Switches
Adjustable over
range 0-5
Adjustable over
range 5-10
S4makestoS6at'0',orsetposition
S1 makes to S2 at '10', or set position

Related product manuals