EasyManua.ls Logo

Schmidt ADS 250 - Page 28

Schmidt ADS 250
76 pages
Print Icon
To Next Page IconTo Next Page
To Next Page IconTo Next Page
To Previous Page IconTo Previous Page
To Previous Page IconTo Previous Page
Loading...
28 Copyright © 2020 Axxiom Manufacturing, Inc.
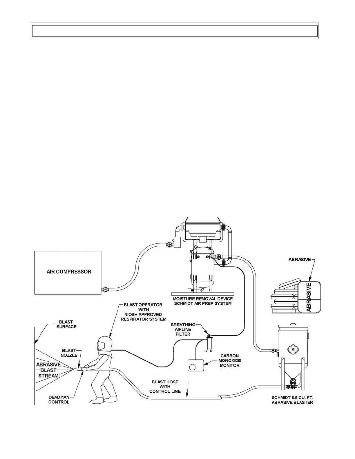
The function of the Schmidt® AirPrep System is to reduce the moisture content of the compressed air used
in an abrasive blast system or for other compressed air requirements. The AirPrep System is supplied air
from an air compressor which will then supply air to the blast nozzle. The abrasive blast stream through the
blast nozzle is used for removing rust, paint, or other unwanted surface defects. After abrasive blasting, the
surface is ready for new paint or coating.
The AirPrep System is one of a group of components used in an abrasive blasting job. The typical
components are an air compressor, moisture removal device, an abrasive blaster, blast hose, a blast nozzle,
operator personal protective equipment, and blast abrasive. See Figure 4.1.
The condensation of moisture in the air flow of a blast operation creates problems with the abrasive flow
from the blast vessel; therefore, it is common for the compressed air to be fed through a moisture removal
device, such as a Schmidt Air Prep System. The moisture condensation occurs when the compressed air is
cooled. The typical occurrences of cooling are inside the blaster when the air expands, and on the surface
of the object that is being blasted. An AirPrep System greatly reduces the moisture content in the blast air
and air supplied to other equipment such as breathing air filters used in the blast operation. The abrasive
blast stream and the dust it creates are harmful; therefore, all blast operators and other personnel in the blast
vicinity must use personal protective equipment during the blast operation.
All the components required for the blast operation (except for the air compressor) are available from
Axxiom Manufacturing, Inc. Call Axxiom to locate a distributor.
Figure 4.1 – Typical Abrasive Blast System
4.0 AirPrep System General Operation

Related product manuals