EasyManua.ls Logo

Schmidt ADS 250 - Page 66

Schmidt ADS 250
76 pages
Print Icon
To Next Page IconTo Next Page
To Next Page IconTo Next Page
To Previous Page IconTo Previous Page
To Previous Page IconTo Previous Page
Loading...
66 Copyright © 2020 Axxiom Manufacturing, Inc.
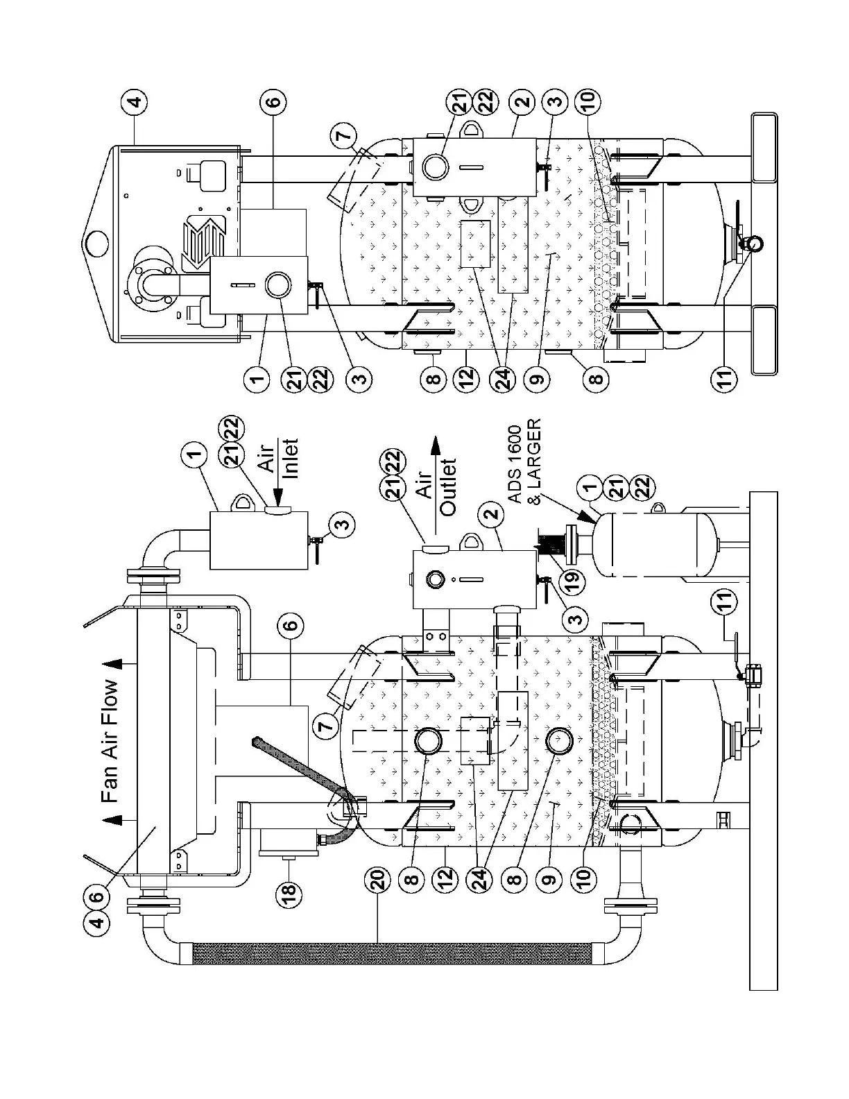
9.8(a) ADS 400-2500 Air Dryer System (Electric Motor)

Related product manuals