EasyManua.ls Logo

Schreiber Engineering 300AC-MRI - Page 8

Default Icon
46 pages
Print Icon
To Next Page IconTo Next Page
To Next Page IconTo Next Page
To Previous Page IconTo Previous Page
To Previous Page IconTo Previous Page
Loading...
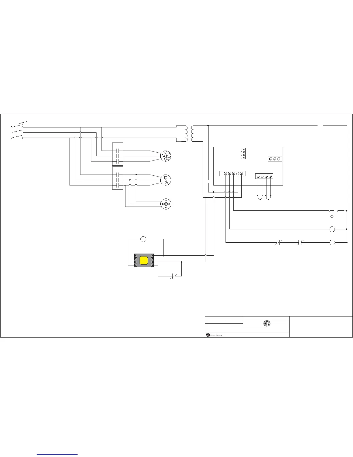
Models:
Voltage:
Options:
230-460
Schreiber Engineering Corp.
12111 Park St. Cerritos, CA 90701
(562)-926-3855
(562)-926-0969 Fax
Phase: 3
Type:Air Cooled
Notes: All motors have internal overload protection unless otherwise shown
On all connections: L1 - Blue L2 - Black L3- Red
Marks:
Electronic Controls
Tank Fill
200AC-500AC
2
4
V
A
C
G
r
o
u
n
d
L
o
w
L
e
v
P
u
m
p
C
o
m
p
1
TC INPUTS
RETURN DISCHARGE
+-+-
N
C
C
O
M
N
O
ALARM
TIME
DELAY
4
2
1
0
1W
1C
T1
T2
T3
T1
T2
T3
T
1
T
2
T
3
24V
RED
Low Level Float
RED
1W
1C
Water Pump Starter
Coil
Compressor 1 Starter Coil
Compressor 1 Low
Pressure Switch
Compressor 1 High
Pressure Switch
Temp. Probes
Yellow
Yellow
Black
Red
L3
L2
L1
6 5 4 3
7 8 1 2
RR2P-U
AC24V50/60Hz
idec
Solenoid Coil
Water Level Float