EasyManua.ls Logo

Schweitzer Engineering Laboratories SEL-351-7 - Power Elements Application-VAR Control for a Capacitor Bank

Schweitzer Engineering Laboratories SEL-351-7
696 pages
Print Icon
To Next Page IconTo Next Page
To Next Page IconTo Next Page
To Previous Page IconTo Previous Page
To Previous Page IconTo Previous Page
Loading...
Date Code 20020426 Overcurrent, Voltage, Synchronism Check, Frequency, and Power Elements 3-65
SEL-351-5, -6, -7 Instruction Manual
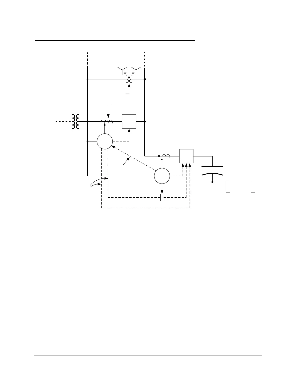
Power Elements Application—VAR Control for a Capacitor Bank
SEL-
351
(B)
52-B
SEL-
351
(C)
52-C
Transformer
Bank
Trip
Trip
Close
Trip
Block
Close
VAR Control
DWG: M351198
9600 KVAR
Capacitor
Bank
1.0 per unit
VARs (leading)
21.6 KV Bus
2000:5
ct ratio
12,500:125
pt ratio
To other feeder postions
Block Close
Figure 3.39: SEL-351(B) Relay Provides VAR Control for 9600 kVAR Capacitor Bank
The 9600 kVAR capacitor bank in Figure 3.39 is put on-line and taken off-line according to the
VAR loading on the transformer bank feeding the 21.6 kV bus. The VAR loading is measured
with the SEL-351(B) Relay located at bus circuit breaker 52-B.
Two SEL-351 Relays control the capacitor bankboth relays are connected to capacitor bank
circuit breaker 52-C. The SEL-351(C) Relay provides capacitor overcurrent protection and trips
circuit breaker 52-C for a fault in the capacitor bank. The SEL-351(B) Relay provides VAR
control and automatically puts the capacitor bank on-line (closes circuit breaker 52-C) or takes it
off-line (trips circuit breaker 52-C) according to the measured VAR level. The SEL-351(B)
Relay also provides bus overcurrent protection and trips circuit breaker 52-B for a fault on the
21.6 kV bus.
In Figure 3.39, if the SEL-351(C) Relay trips circuit breaker 52-C for a fault in the capacitor
bank, then a block close signal is sent from the SEL-351(C) Relay to the SEL-351(B) Relay.
This prevents the SEL-351(B) Relay from issuing an automatic close to circuit breaker 52-C.
For additional security, the close circuit from the SEL-351(B) Relay to circuit breaker 52-C is
supervised by a block close output contact from the SEL-351(C) Relay. This block close output
contact opens if the SEL-351(C) Relay trips circuit breaker 52-C for a fault in the capacitor
bankno automatic closing can then take place.

Table of Contents