EasyManua.ls Logo

SCIFIT PRO1000 - Page 13

SCIFIT PRO1000
19 pages
Print Icon
To Next Page IconTo Next Page
To Next Page IconTo Next Page
To Previous Page IconTo Previous Page
To Previous Page IconTo Previous Page
Loading...
12
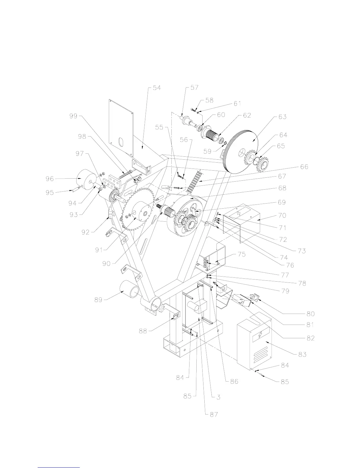
Figure 2 – Pro1000 Main Frame (Items 54-99)

Related product manuals