EasyManua.ls Logo

SCIFIT PRO1000 - Figures

SCIFIT PRO1000
19 pages
Print Icon
To Next Page IconTo Next Page
To Next Page IconTo Next Page
To Previous Page IconTo Previous Page
To Previous Page IconTo Previous Page
Loading...
11
IV. Figures
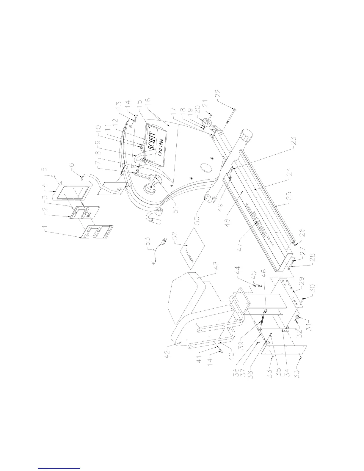
Figure 1 – Pro1000 Total Assembly (Items 1-53)

Related product manuals