EasyManua.ls Logo

SCM SC 10 - Page 20

SCM SC 10
34 pages
Print Icon
To Next Page IconTo Next Page
To Next Page IconTo Next Page
To Previous Page IconTo Previous Page
To Previous Page IconTo Previous Page
Loading...
19
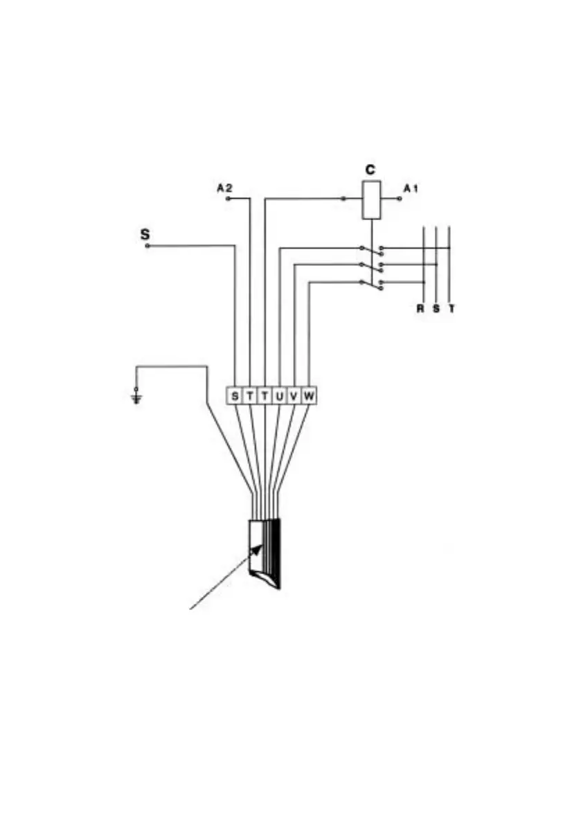
Electrical connection diagram
Direct connection
for motor type FXXX
U - V - W - = mains
T - T = Thermal probe
S = Optional humidity probe
7 LEAD ELECTRIC
AERATOR CABLE
To be connected to the water-probe
only if the aerator is equipped with
specific control panel.