EasyManua.ls Logo

Scotsman AC-EC 47 - Page 24

Scotsman AC-EC 47
48 pages
Print Icon
To Next Page IconTo Next Page
To Next Page IconTo Next Page
To Previous Page IconTo Previous Page
To Previous Page IconTo Previous Page
Loading...
Page 24
Page 24
E. Check to see through the ice discharge
opening that the spray system is correctly seated
and that the water jets uniformely reach the
interior of the inverted mold cups; also make sure
that the plastic curtain is hanging freely and
there is not excessive water spilling through it.
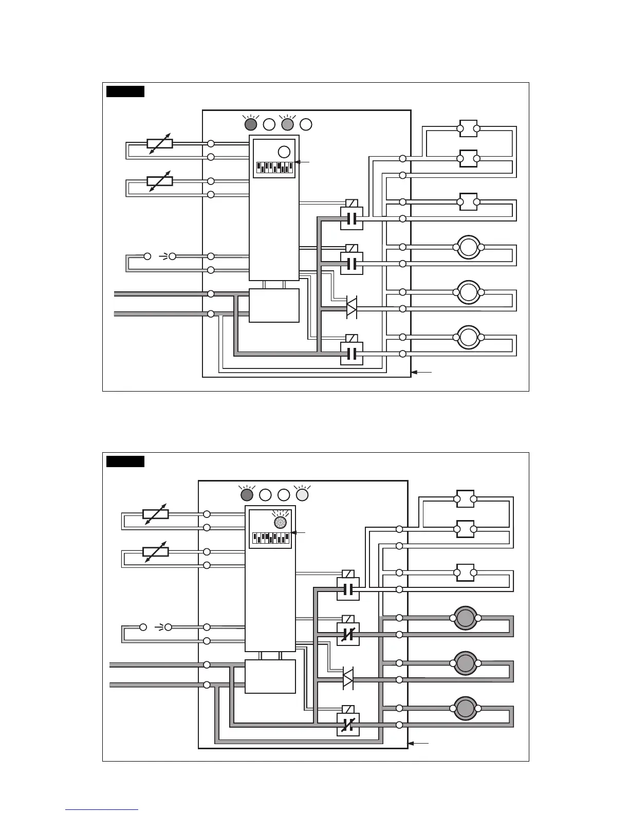
FIG. 3
FIG. 4
16
15
13
2
1
7
8
9
10
3
4
5
6
11
12
Rx Tx
WATER IN VALVE
HOT GAS VALVE
COMPRESSOR
FAN MOTOR
WATER PUMP
- EVAPORATOR
- CONDENSER
TEMPERATURE SENSORSBIN
TRANSF.
DATA
PROCESSOR
ELECTR.
TIMER
DIP
SWITCH
ELECTRONIC CARD
L
N
RELAYS
RELAY
TRIAC
WATER DRAIN VALVE
61
51
31
2
1
7
8
9
01
3
4
5
6
11
21
xTxR
EVLAVNIRETAW
EVLAVSAGTOH
ROSSERPMOC
ROTOMNAF
PMUPRETAW
ROTAROPAVE-
RESNEDNOC-
TEMPERATURE SENSORSBIN
.FSNART
DATA
PROCESSOR
.RTCELE
REMIT
PID
HCTIWS
DRACCINORTCELE
L
N
SYALER
YALER
CAIRT
EVLAVNIARDRETAW

Related product manuals