EasyManua.ls Logo

Scotsman AC-EC 47 - Page 27

Scotsman AC-EC 47
48 pages
Print Icon
To Next Page IconTo Next Page
To Next Page IconTo Next Page
To Previous Page IconTo Previous Page
To Previous Page IconTo Previous Page
Loading...
Page 27
Page 27
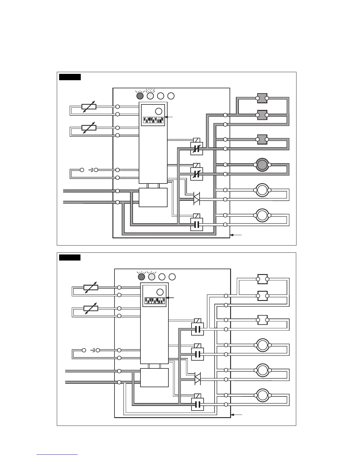
FIG. 6
16
15
13
2
1
7
8
9
10
3
4
5
6
11
12
Rx Tx
WATER IN VALVE
HOT GAS VALVE
COMPRESSOR
FAN MOTOR
WATER PUMP
- EVAPORATOR
- CONDENSER
TEMPERATURE SENSORSBIN
TRANSF.
DATA
PROCESSOR
ELECTR.
TIMER
DIP
SWITCH
ELECTRONIC CARD
L
N
RELAYS
RELAY
TRIAC
WATER DRAIN VALVE
FIG. 6a
16
15
13
2
1
7
8
9
10
3
4
5
6
11
12
Rx Tx
WATER IN VALVE
HOT GAS VALVE
COMPRESSOR
FAN MOTOR
WATER PUMP
- EVAPORATOR
- CONDENSER
TEMPERATURE SENSORSBIN
TRANSF.
DATA
PROCESSOR
ELECTR.
TIMER
DIP
SWITCH
ELECTRONIC CARD
L
N
RELAYS
RELAY
TRIAC
WATER DRAIN VALVE
K. Remove, if fitted, the refrigerant service
gauges and re-fit the unit service panels
previously removed.
L. Instruct the owner/user on the general
operation of the ice machine and about the
cleaning and care it requires.

Related product manuals