EasyManua.ls Logo

Scotsman EC 45 - MAINTENANCE AND CLEANING INSTRUCTIONS; GENERAL; ICEMAKER

Scotsman EC 45
43 pages
Print Icon
To Next Page IconTo Next Page
To Next Page IconTo Next Page
To Previous Page IconTo Previous Page
To Previous Page IconTo Previous Page
Loading...
Page 41
Page 41
MAINTENANCE AND CLEANING INSTRUCTIONS
A. GENERAL
The periods and the procedures for maintenance
and cleaning are given as guides and are not to
be construed as absolute or invariable.
Cleaning, especially, will vary depending upon
local water and ambient conditions and the ice
volume produced; and, each icemaker must be
maintened individually, in accordance with its
particular location requirements.
B. ICEMAKER
The following maintenance should be scheduled
at least two times per year on these icemakers.
1. Check and clean the water line strainer.
2. Check that the icemaker is levelled in side
to side and in front to rear directions.
3. Clean the water system, evaporator, bin
and spray jets using a solution of SCOTSMAN
Ice Machine Cleaner.
Refer to procedure C cleaning instructions and
after cleaning will indicate frequency and proce-
dure to be followed in local areas.
NOTE. Cleaning requirements vary according
to the local water conditions and individual
user operation. Continuous check of the
clarity of ice cubes and visual inspection of
the water spraying parts before and after
cleaning will indicate frequency and proce-
dure to be followed in local areas.
4. With the ice machine and fan motor OFF on
air cooled models, clean condenser using vacuum
cleaner, whisk broom or non metallic brush taking
care to do not damage both the condenser and
ambient temperature sensors.
5. Check for water leaks and tighten drain line
connections. Pour water down bin drain line to be
sure that drain line is open and clear.
6. Check size, condition and texture of ice
cubes. Perform adjustment of DIP SWITCH keys
as required.
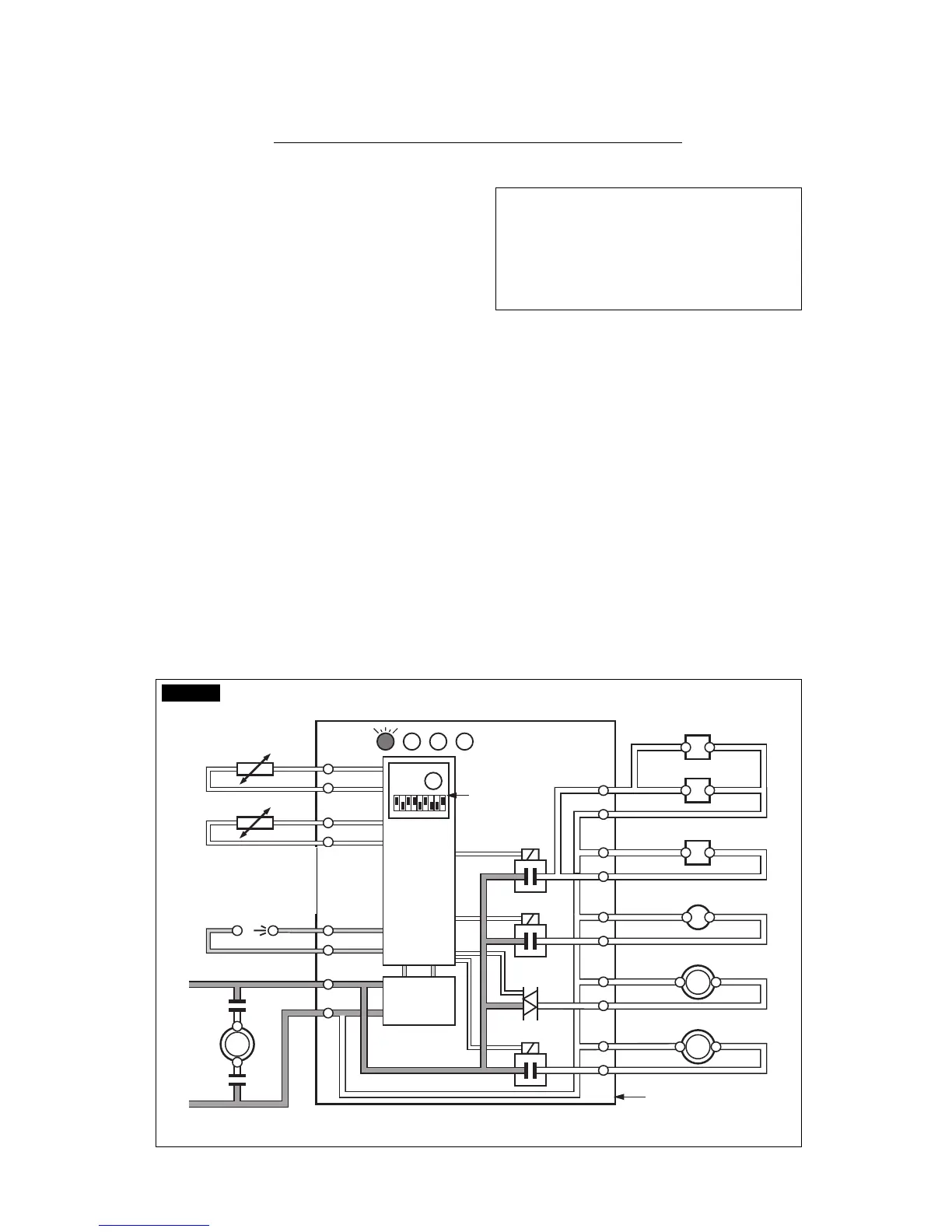
7. Check the ice level control sensor to test
shut-off. Put your hand between the light source
and the receiver so to cut off the light beam for at
least one minutes.
This should cause the ice maker to shut off and
the light up of the 2nd LED (yellow light).
16
15
14
13
2
1
7
8
9
10
3
4
5
6
11
12
Rx Tx
WATER IN VALVE
HOT GAS VALVE
CONTACTOR COIL
FAN MOTOR
WATER PUMP
- EVAPORATOR
- AMBIENT
- CONDENSER
TEMPERATURE SENSORSBINCOMPRESSOR
TRANSF.
DATA
PROCESSOR
ELECTR.
TIMER
DIP
SWITCH
ELECTRONIC CARD
L
N
RELAYS
RELAY
TRIAC
WATER DRAIN VALVE
FIG. 7

Related product manuals