EasyManua.ls Logo

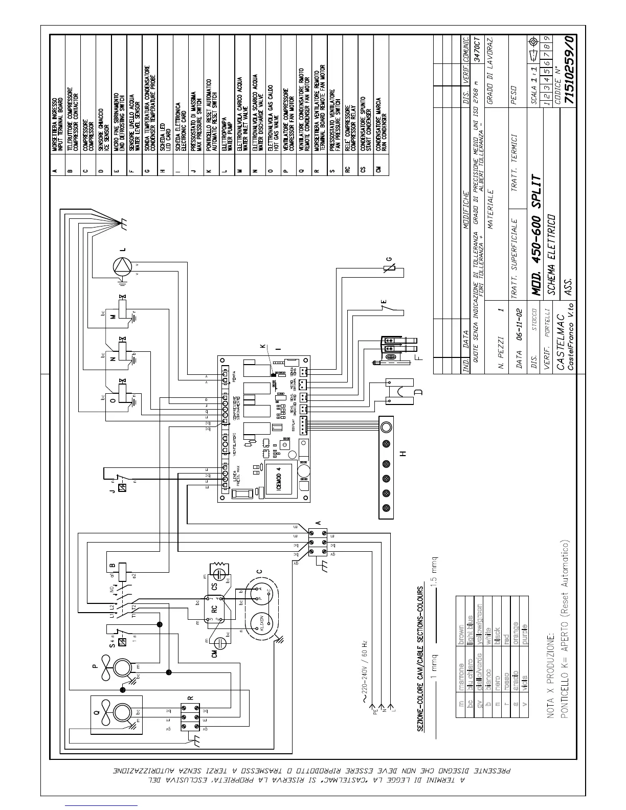
Scotsman MC 16 - Cable Identification and Production Notes; Cable Identification; Production Notes and Disclaimers

Scotsman MC 16
14 pages
Print Icon
To Previous Page IconTo Previous Page
To Previous Page IconTo Previous Page
Loading...

Related product manuals