EasyManua.ls Logo

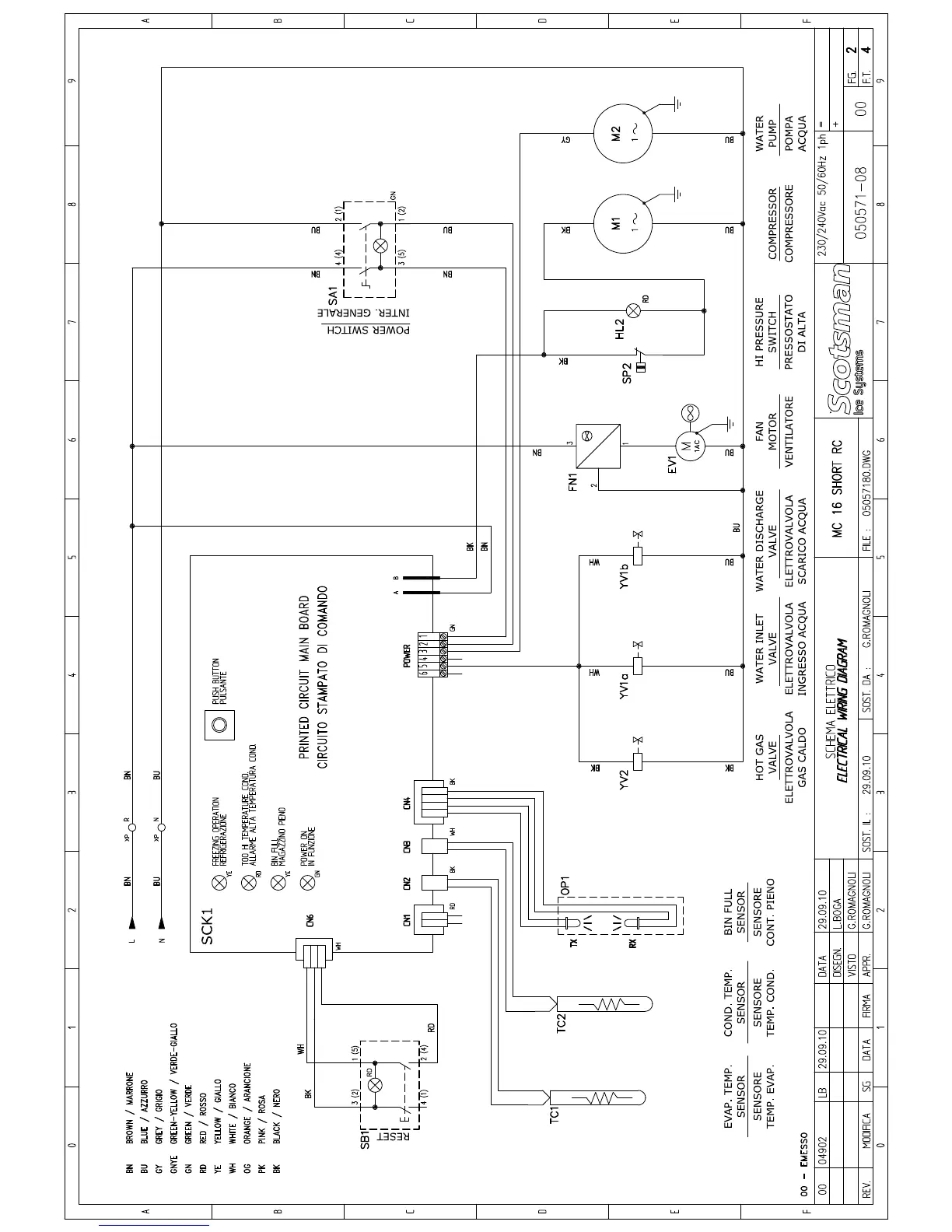
Scotsman MC 16 - Electrical System Information; Electrical Wiring Diagrams

Scotsman MC 16
14 pages
Print Icon
To Next Page IconTo Next Page
To Next Page IconTo Next Page
To Previous Page IconTo Previous Page
To Previous Page IconTo Previous Page
Loading...

Related product manuals