EasyManua.ls Logo

Scotsman MF 86 - Page 6

Scotsman MF 86
14 pages
Print Icon
To Next Page IconTo Next Page
To Next Page IconTo Next Page
To Previous Page IconTo Previous Page
To Previous Page IconTo Previous Page
Loading...
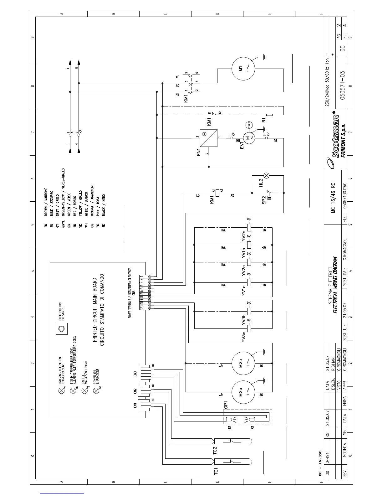
SCK1
VALVES
HOT GAS
ELETTROVALVOLE
GAS CALDO
SENSOR
BIN FULL
SENSORE
CONT. PIENO
PER MC46
ACQUA INGRESSO ACQUA
ELETTROVALVOLEPOMPE
VENTILATORE
SENSOR
EVAP. TEMP.
COMPRESSORE
FOR MC46
FAN
WATER
COMPRESSOR
WATER INLET
SENSORE
TEMP. EVAP.
VALVESPUMPS
MOTOR
SCARICO ACQUA
ELETTROVALVOLE
WATER DISCHARGE
VALVES
CRANCKCASE HEATER
RESISTENZA COMPRESSORE
SWITCH
HI PRESSURE
PRESSOSTATO
DI ALTA
SENSOR
COND. TEMP.
SENSORE
TEMP. COND.

Related product manuals