EasyManua.ls Logo

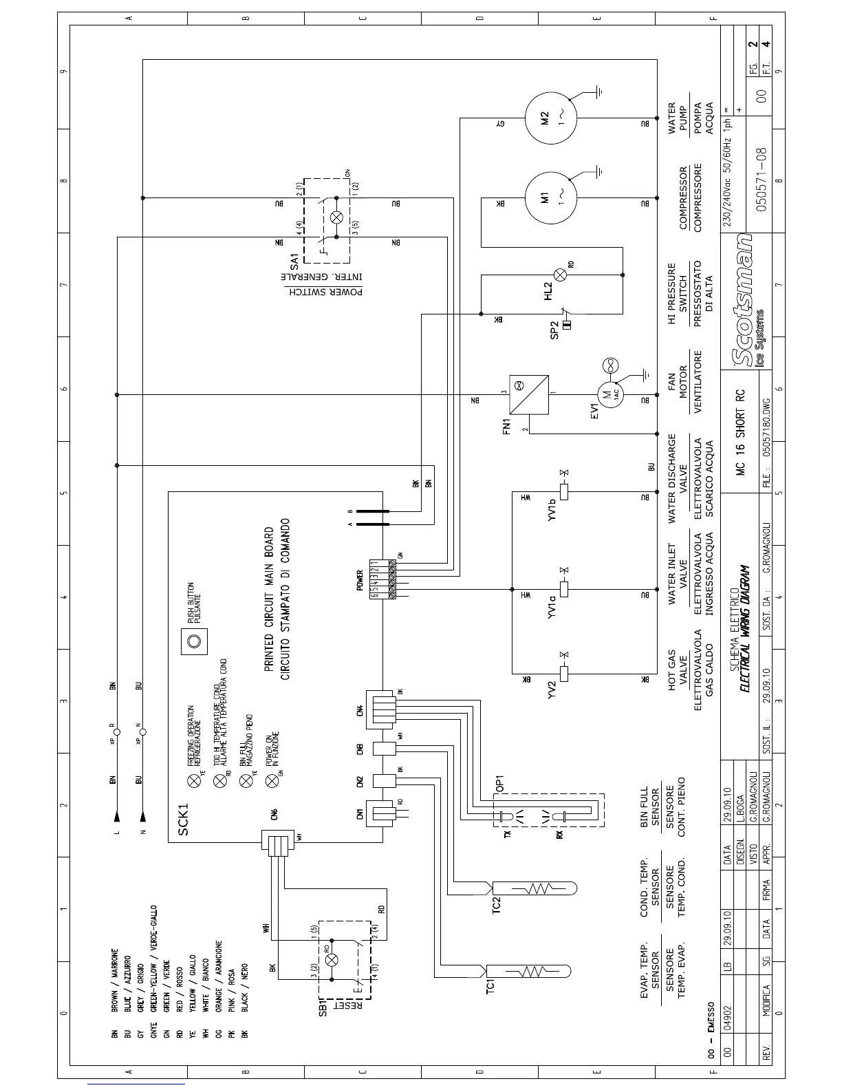
Scotsman MF 86 - Electrical Wiring Diagram

Scotsman MF 86
14 pages
Print Icon
To Next Page IconTo Next Page
To Next Page IconTo Next Page
To Previous Page IconTo Previous Page
To Previous Page IconTo Previous Page
Loading...

Related product manuals