EasyManua.ls Logo

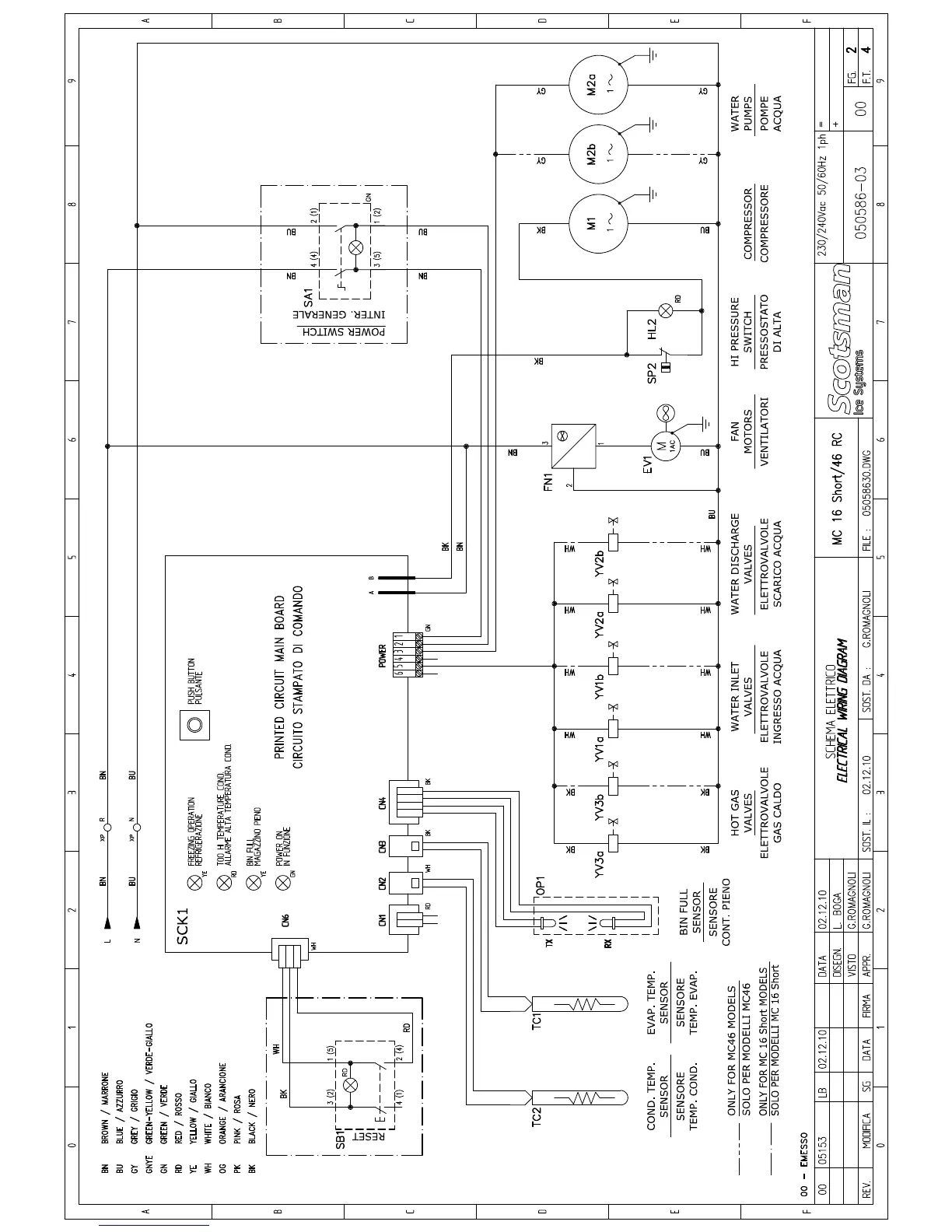
Scotsman MV 1000 - MC 16 Short;46 RC Wiring Diagram

Scotsman MV 1000
14 pages
Print Icon
To Next Page IconTo Next Page
To Next Page IconTo Next Page
To Previous Page IconTo Previous Page
To Previous Page IconTo Previous Page
Loading...

Other manuals for Scotsman MV 1000

Related product manuals