EasyManua.ls Logo

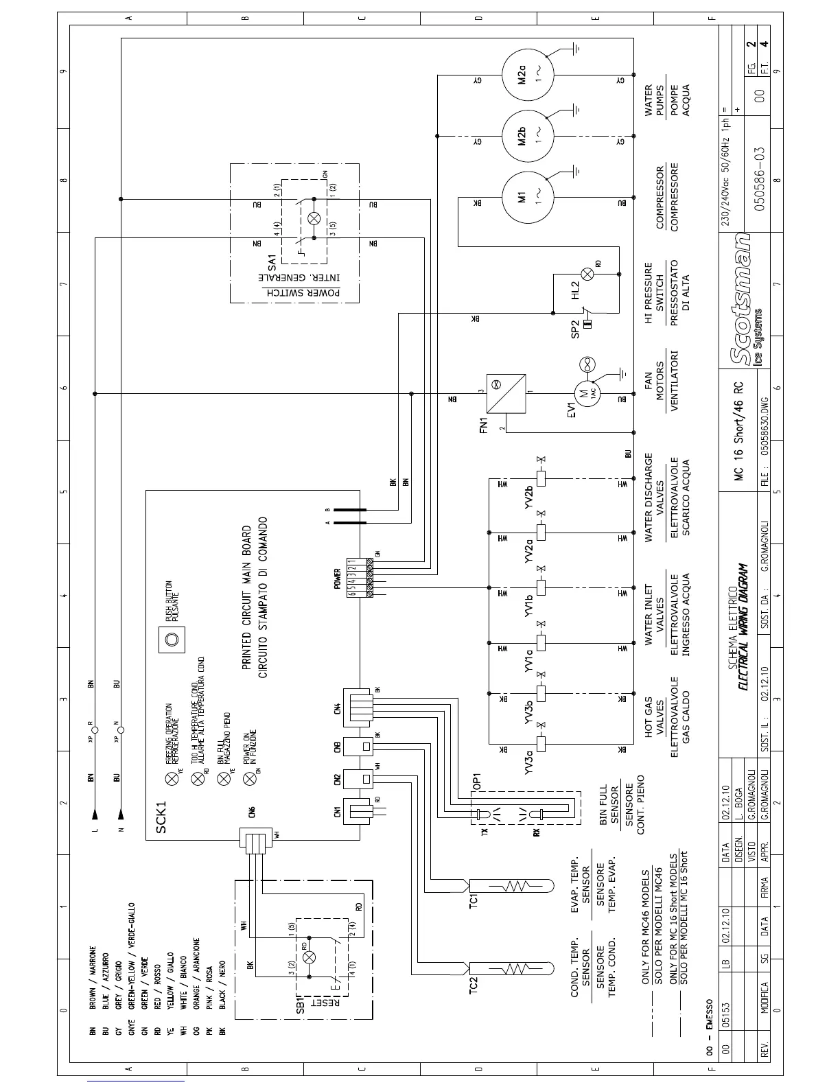
Scotsman MV 450 - Electrical Wiring Diagram: MC 16 Short;46 RC

Scotsman MV 450
14 pages
Print Icon
To Next Page IconTo Next Page
To Next Page IconTo Next Page
To Previous Page IconTo Previous Page
To Previous Page IconTo Previous Page
Loading...

Other manuals for Scotsman MV 450

Related product manuals