EasyManua.ls Logo

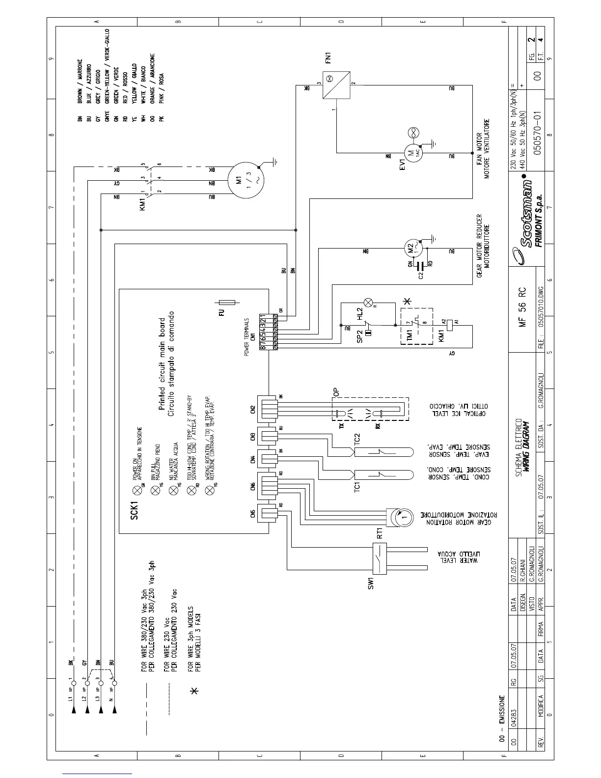
Scotsman MV 800 - Wiring Diagram

Scotsman MV 800
14 pages
Print Icon
To Next Page IconTo Next Page
To Next Page IconTo Next Page
To Previous Page IconTo Previous Page
To Previous Page IconTo Previous Page
Loading...

Related product manuals