EasyManua.ls Logo

Scotsman MVP606 - MV 1006 Wiring Diagram (400 V)

Scotsman MVP606
33 pages
Print Icon
To Next Page IconTo Next Page
To Next Page IconTo Next Page
To Previous Page IconTo Previous Page
To Previous Page IconTo Previous Page
Loading...
Page 30
Page 30
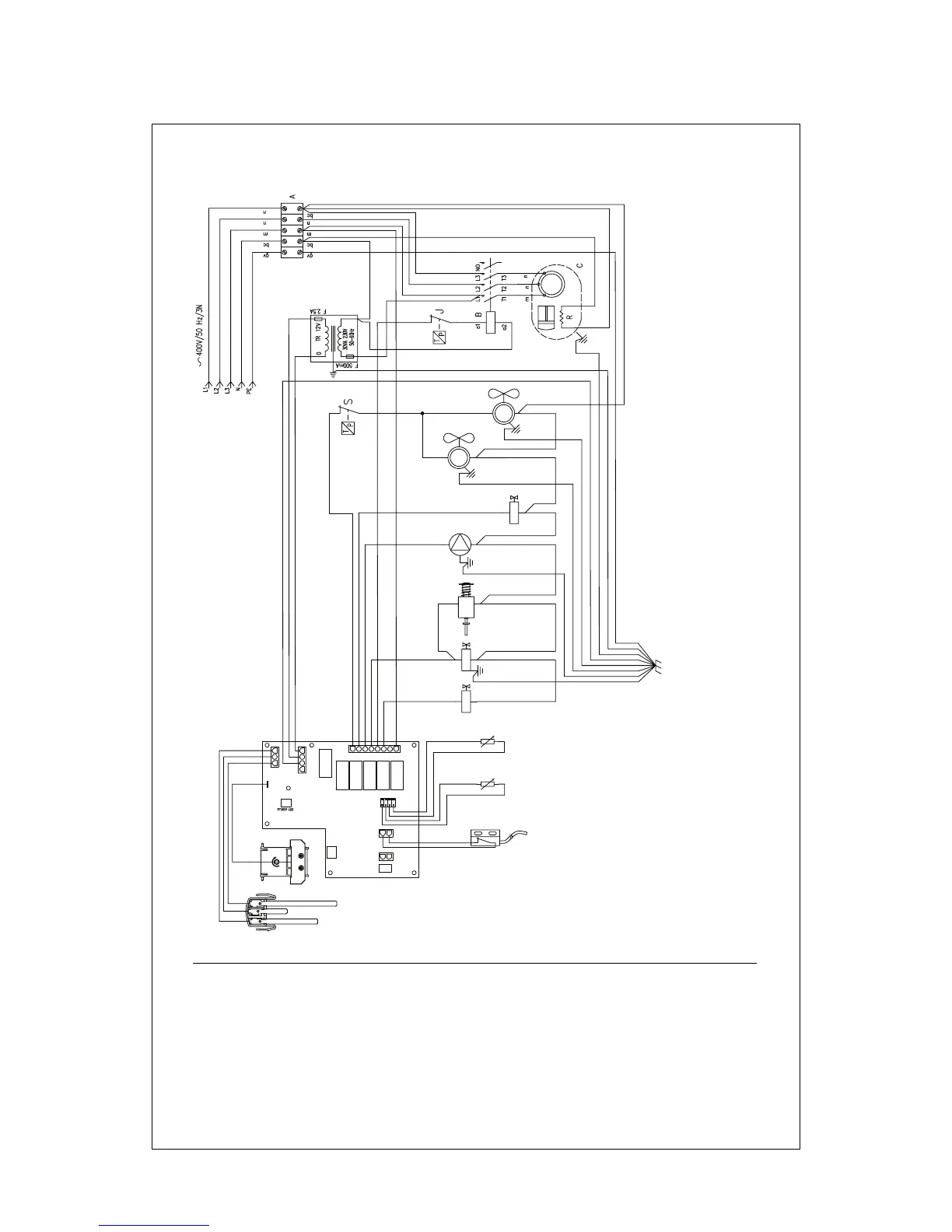
MV 1006 - WIRING DIAGRAM
400 V. 50 Hz. 3 ph.
A - Input terminal board
B - Compressor remote control switch
C - Compressor
D - Ice sensor
E - End defrosting switch
F - Water level sensor
G1 - Condenser temperature probe
G2 - Water temperature probe
H - Led card
I - Electronic card
J - Max pressure switch
S - Fan pressure switch
K - Automatic reset switch
L - Water pump
M - Water inlet valve
N - Water discharge valve
O - Hot gas valve
SP - Solenoid harv assist
P1 - Fan Motor 1 (only AIR cooled unit)
P2 - Fan Motor 2 (only AIR cooled unit)
RC - Compressor relay
CS - Start condenser
CM - Run condenser
R - Run condenser
m = brown
bc = light blue
gv = yellow green
b = white
n = black
r = red
a = orange
v = viola
123J9
1234
J11
J10
12345678
J2
12
12
J6
J1
J8
J7
F
D
1234
E
G1
G2
L
v
bc
m
bc
m
m
a
a
m
r
v
n
a
b
m
gv
n
r
b
n
r
m
gv
gv
gv
M
bc
r
N
bc
b
O
bc
n
SP
bc
n
P1
m
bc
gv
P2
n n

Related product manuals