EasyManua.ls Logo

SCRAPPER E-STRADA E-8400 - Page 39

SCRAPPER E-STRADA E-8400
40 pages
Print Icon
To Next Page IconTo Next Page
To Next Page IconTo Next Page
To Previous Page IconTo Previous Page
To Previous Page IconTo Previous Page
Loading...
39/40
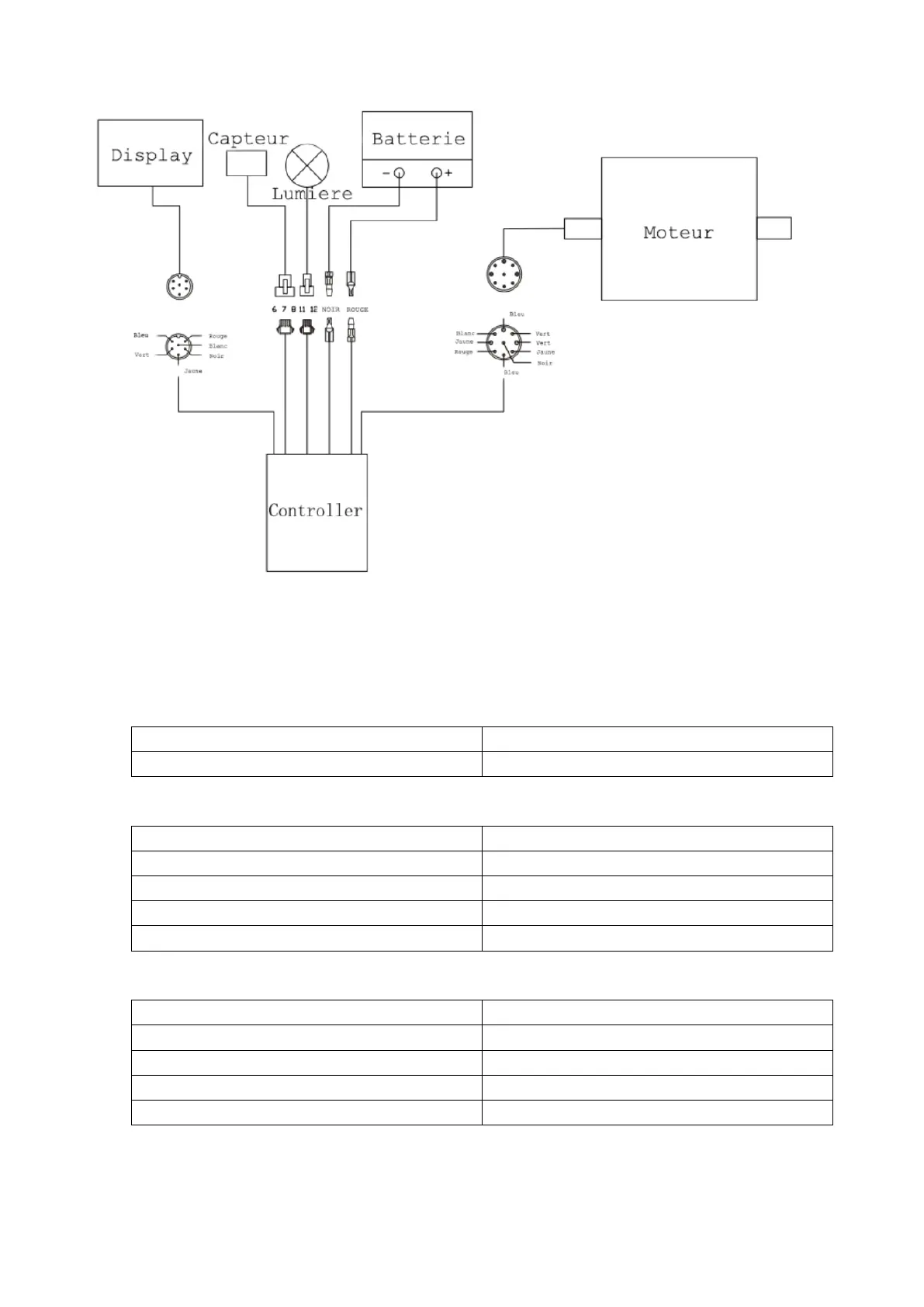
12. Fiches des principales spécifications techniques
Vous trouverez ci dessous le modèle de votre vélo:
Modéle
Observations
E-8400RM
E-8400 E-STRADA
Quelques données techniques de ce vélo:
Vitesse maximum et assistance électrique
25km/h ±5%
Distance pour chargement complet
36V: 80~90km (chargement total 75kgs)
Poids vélo
23Kg
Valeur de protection sur tension
15±1A (sous 36V)
Valeur de protection sous tension
31.5V (sous 36V)
Données techniques croisées du moteur du vélo:
Motore:
Motore Brushless
Bruit maximum de course:
<70db
Tension nominale:
200W
Puissance maximum de sortie:
250W
Tension nominale:
36V