EasyManua.ls Logo

Scytek electronic A15 - Two Stage Door Lock Diagrams

Default Icon
20 pages
Print Icon
To Next Page IconTo Next Page
To Next Page IconTo Next Page
To Previous Page IconTo Previous Page
To Previous Page IconTo Previous Page
Loading...
Page 14 - A777, A20, G777, G27
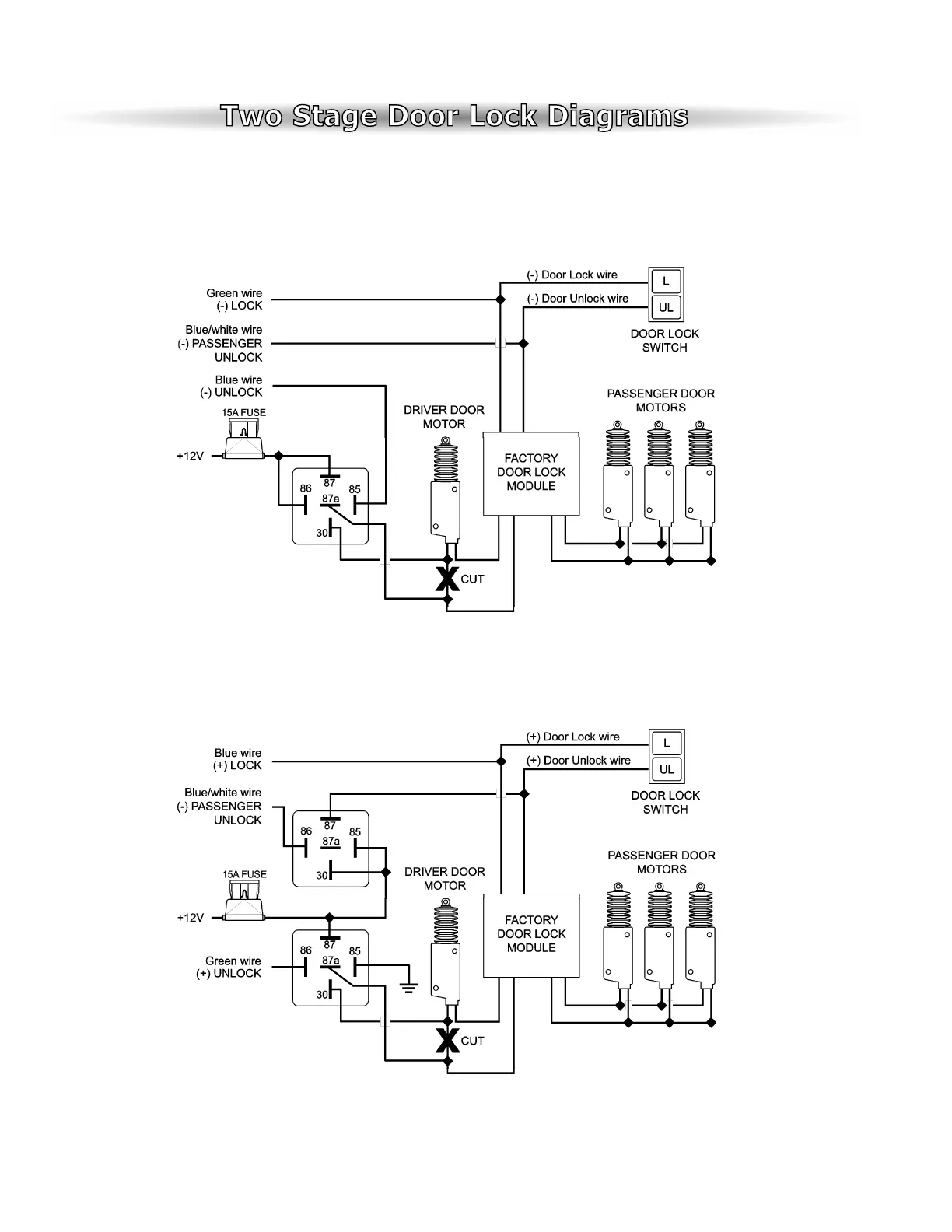
Two Stage Negative Trigger
Two Stage Positive Trigger
The Series is equipped with a dedicated Passenger Unlock output allowing Two Stage Door Lock
operation. When connected as shown below, disarming the system will unlock only the drivers
door. Pressing the disarm button again will unlock all doors.

Related product manuals