EasyManua.ls Logo

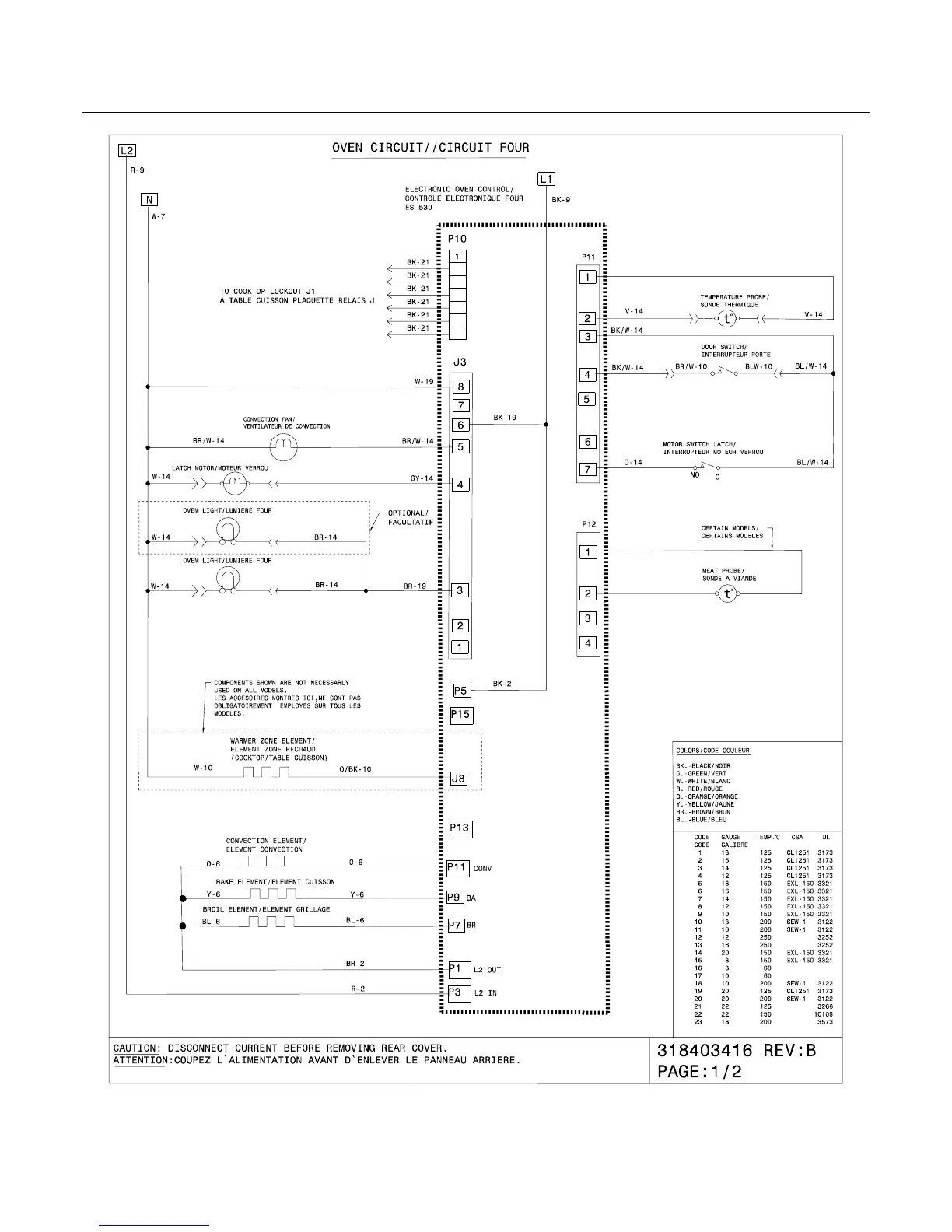
Sears C970-6483 - Wiring Diagram; Oven Circuit;Circuit Four

Sears C970-6483
13 pages
Print Icon
To Next Page IconTo Next Page
To Next Page IconTo Next Page
To Previous Page IconTo Previous Page
To Previous Page IconTo Previous Page
Loading...
Publication No: 5995544300 C970-6483
06/09 12
WIRING DIAGRAM

Related product manuals