EasyManua.ls Logo

Sears Elite 665.12772K310 - Wiring Diagram

Sears Elite 665.12772K310
82 pages
Print Icon
To Next Page IconTo Next Page
To Next Page IconTo Next Page
To Previous Page IconTo Previous Page
To Previous Page IconTo Previous Page
Loading...
TESTING
Kenmore Elite 2013 Stainless Steel Tall Tub Dishwasher
n
5-3
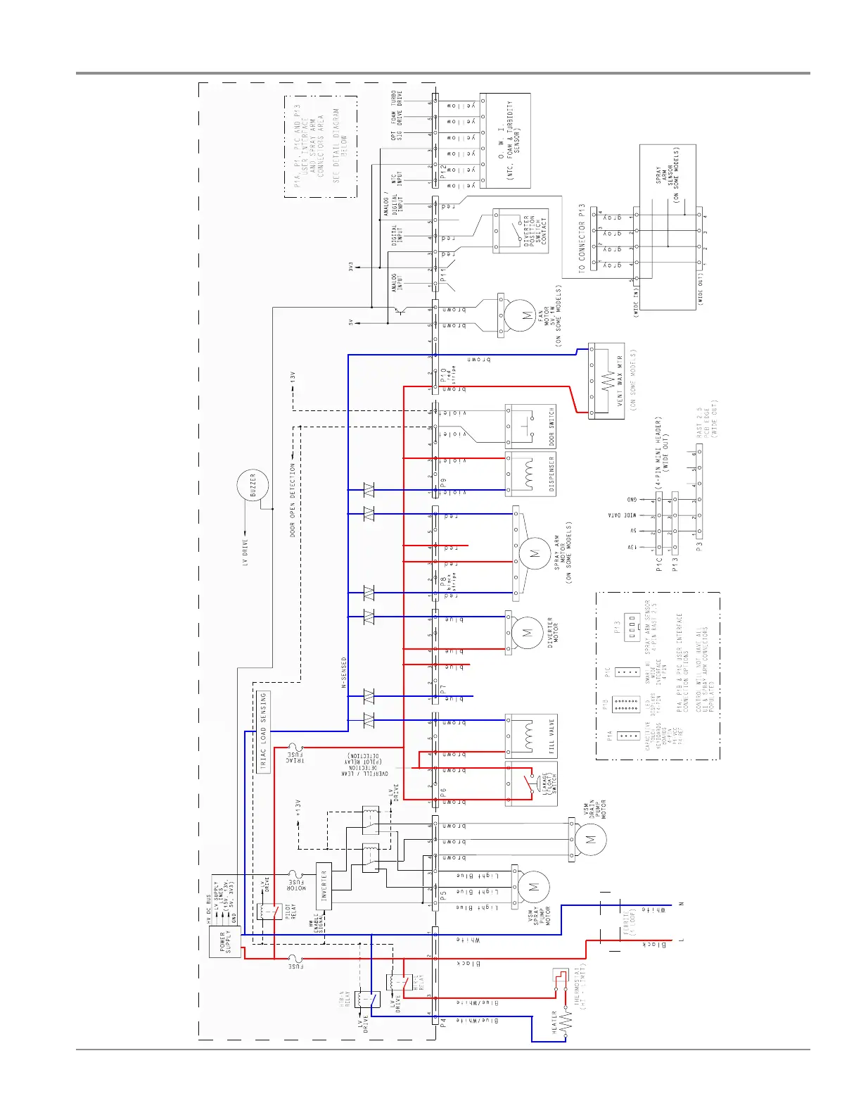
Wiring Diagram
Schemac shown with door switch and all other normally open contacts open.
* Denotes energy ecient components. Do not substute.
For Service Technician Use Only
F2
F101
F1

Table of Contents

Related product manuals