EasyManua.ls Logo

Sears Elite 665.12773K310 - Spray Arms, Feed Tube, and Manifold

Sears Elite 665.12773K310
82 pages
Print Icon
To Next Page IconTo Next Page
To Next Page IconTo Next Page
To Previous Page IconTo Previous Page
To Previous Page IconTo Previous Page
Loading...
3-10
n
Kenmore Elite 2013 Stainless Steel Tall Tub Dishwasher
COMPONENT ACCESS
833(5 :$6+ $1' 5,16( 3$576

 3DUW 1R : 5HY $
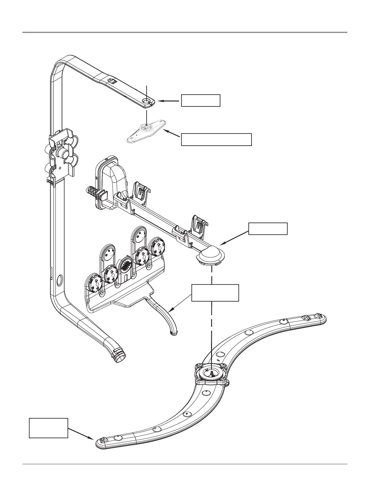
Component Identication
Third level spray arm
Manifold
Upper
spray arm
Feed tube
Spray Arms, Feed Tube, and Manifold
TurboZone
Manifold

Table of Contents

Related product manuals