EasyManua.ls Logo

Sector S10UNV - Discharge Pipe Requirements and Commissioning; Discharge Pipe Installation; Commissioning Steps

Default Icon
12 pages
Print Icon
To Next Page IconTo Next Page
To Next Page IconTo Next Page
To Previous Page IconTo Previous Page
To Previous Page IconTo Previous Page
Loading...
6
4.0 INSTALLATION - DISCHARGE PIPE REQUIREMENTS
4.1 The discharge outlet from the Pressure (expansion) Relief Valve and the
Temperature/Pressure Relief Valve (if fitted) must be connected to a discharge pipe.
It is recommended that a tundish (not supplied) be installed in the discharge pipe
to give a visible indication that the valves are operating.
4.2 The discharge pipe must fall continuously from the valve outlets and be
unobstructed.
4.3 The pipe from the valves to the tundish should be 15mm o/d minimum. From the
tundish to the point of discharge the pipe should be 22mm o/d minimum and have a
resistance to flow equivalent to 9 metres of straight pipe. Long discharge pipe runs
should have an increased internal diameter.
4.4 The pipe material should be capable of conveying water/steam at 100
o
C.
4.5 The final discharge point should be in a safe, visible position.
5.0 COMMISSIONING
5.1 Do not switch on the electrical supply until the unit has been filled with water and
checked for leaks.
5.2 Check that all installation, electrical and discharge pipe requirements have been met.
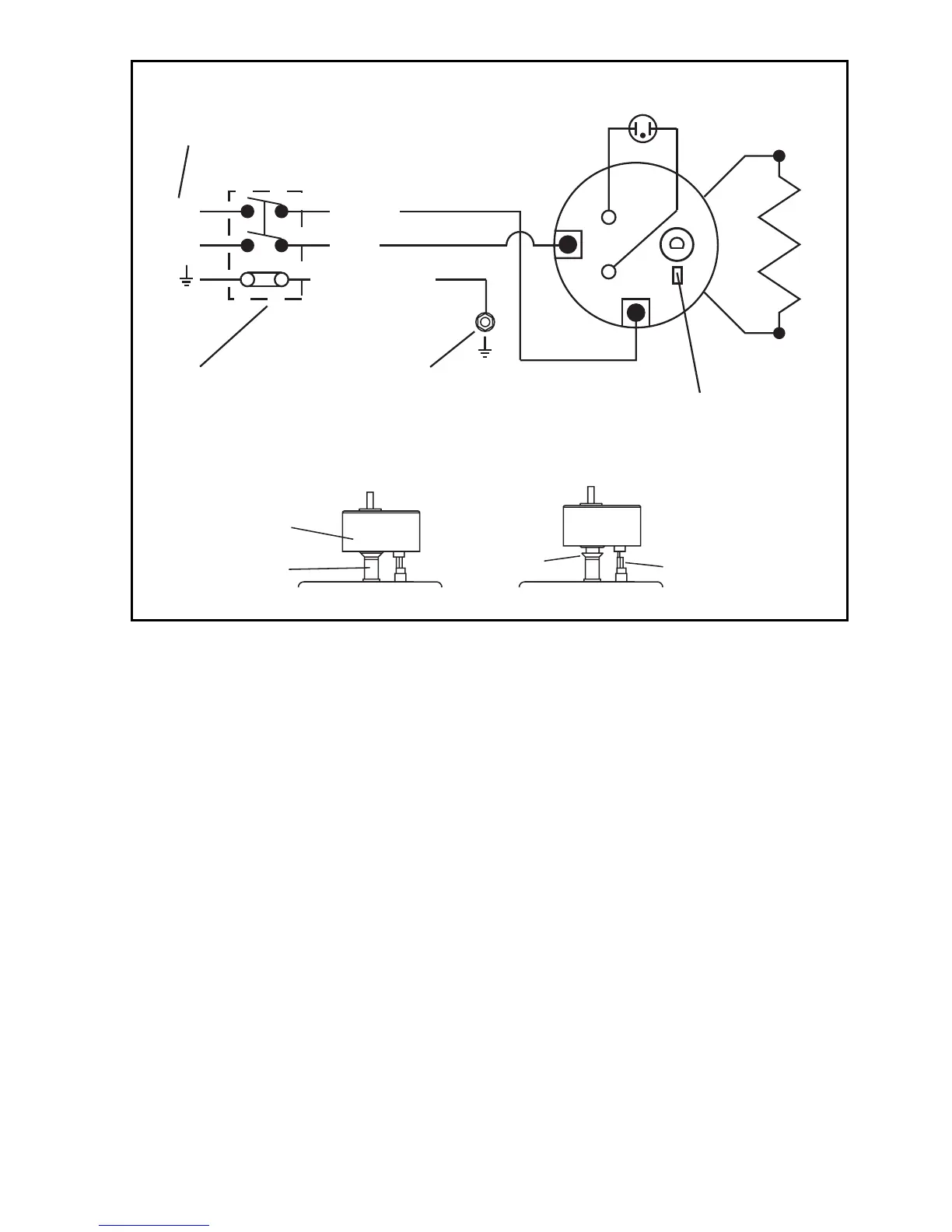
ELEMENTNEON
RESET BUTTON
EARTH
POST
('STAT/CUT-OUT PLUGS DIRECTLY
ONTO ELEMENT TERMINATIONS).
DOUBLE POLE
ISOLATING SWITCH
BROWN
BLUE
GREEN/YELLOW
MAINS
SUPPLY
L
N
FIGURE 6: WIRING DIAGRAM 'AC' ONLY.
IMPORTANT: THE COMBINED THERMOSTAT/CUT-OUT MUST BE PUSHED FULLY
HOME TO ENSURE CORRECT OPERATION OF THE CUT-OUT
COMBINED
THERMOSTAT
& CUT-OUT
THERMOSTAT
POCKET
ELEMENT
TERMINALS
FLARED END OF
THERMOSTAT
POCKET
CORRECT INCORRECT