EasyManua.ls Logo

Sega Mega-CD - Page 90

Sega Mega-CD
118 pages
Print Icon
To Next Page IconTo Next Page
To Next Page IconTo Next Page
To Previous Page IconTo Previous Page
To Previous Page IconTo Previous Page
Loading...
\
\o
1'1\
name
I
ClllOn
2
V
relit
3
,\\'Dll
·I
0\'Llll
5
IJCU\
[),\T,\
7
LRCI\
8
TEST
9
ATT
IU
Sill
FT
II
L.ITCII
12
1\'ITB
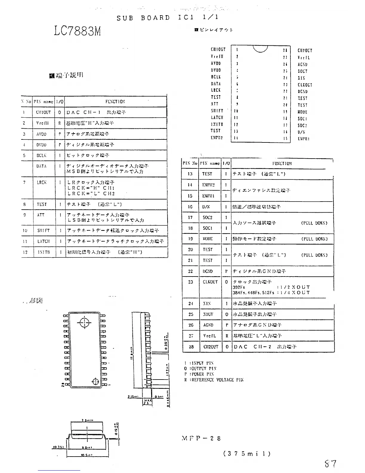
SUB
BOARD
ICl
1
/ 1
/
.1
LC7883M
110
FC\CTIO~
0
IJA.C
CH-
I
:t·,
;JJ
~::J
-·r·
R
:/Si\'1~\l:/I''
H
~
A.)J
~;::,-.
p
7
7-
c
,7;r:~tti~~~H-
r
-r·
-f
.;.;
7'
'"li'<~iW::.:-7·
I
t::.~
~
? c '/ ?
~:i.:-7·
I
-r·
{
.;.;
7'
,
..
;>!·
-7'
{
::>!'
7'-7'
A.)J~O:J-7·
M s
BO!U
1
)
t::·;t
~
:.--
1
}711-'(·A.;JJ
I
L
R?
c ·;t?
A.)J~:J.J-7-
LRCt<=~H'.
c
Ill
LRCK=~L"
c
1-12
I
7
;;r..,
1-
~:iJ-7-
(jiiJ;~';"
L
~)
I 7
-~
7-t--
1-
T'-7'
A.;IJ~O.:-T-
L S 0
llt!J.I:
')
t::
·~
1-
:.--
'}
711-'C'
A.;IJ
I
777'*-I-T'-?~ill?c7?A.)J=~
I
777'*-I-T'-~,7~?c7?Ah~~
I
lJJJtJift!~-'1}
A.h
~~H-
(ii!i;t;;~
II'')
Cit
lOUT
VI
rflt
AVDll
DYUD
BCLK
DHA
trn
TEST
HT
Sll
I
rT
LATCII
I~
I
TO
HST
ntrttt
1'1'\
Xu
I'll\
11;111C
1:1
TEST
1·1
Dll'll:!
f-
15
E~ll'lll
IG
I>/:\
17
SOC2
18
SOC
I
f-
19
MOllE
2U
TEST
21
TEST
22
DG~D
23
CLI\Ot:T
2·1
XIX
f-
25
XOUT
2G
AG;\0
.,-
_,
\'ref!.
--
28
Cll20l'T
I : 17'\l'lil I'
I\
0 :
OI!TI't:T
1'1
'\
I'
:1'01\Eit
1'1\
1/0
I
I
I
I
I
I
I
I
I
,.
0
I
0
,.
It
0
t I
ClltOt:T
tl
vI
rl
L
II
AGXll
!i
IOt:T
tl
IlK
!l
CUOGT
!!
DCXU
!I
UST
l 0
HST
I i
"
1101)[
II
li
SOC
I
II
ll
soc~
ll
II
U/li
II
II
Dll'lll
FI!:\CTim
77,
H~H-
(jifJ;:;';" L
~)
j·'
{
.:r..
/ 7 T
;_,
.7,
1:LLJ:.:l·T·
m
.i!t/
t:l
i\'l.i:lltJJ
:.~
J:.:J
-7·
A.
)J
'/
- 7, iii
tm~H-
(I'CLL
rriJJf1l·T:-
,
..
?miu::J:r.
(
l'l:ll.
77,
m-7·
(ilii;7;" L
")
(I'ULL
j·'-f
:.;
7'
11-
N: G
!'\
IHO:l-7·
9 c
..
, 7
mJJJ:t.::r-
392Fs
:
I I 2
XOUT
38~Fs.448Fs.512Fs
: I 1·1 X 0 U T
*,::.miFf-
A.
JJ
~~
·T-
*.::.~I!
111
:r-
:l'.JJ
~:.::
:f-
7
-J-
c
7N:
G
?\
IJ
~:iJ
:r.
J,~tllt·;ui.I:"
L
~
A.h~•n·
IJ/\C
Cll-2
:IUJ
~:0::
·'f-
11
:J!EFEI!E:\CE
VOI.TAGE
1'1~
:vtFP-2
8
( 3 7 5 m
1 )
I
.
001\\'l
00\'i;\)
DOI'i\)