EasyManua.ls Logo

Seisco SH-05 - Mounting Clearances

Default Icon
24 pages
Print Icon
To Next Page IconTo Next Page
To Next Page IconTo Next Page
To Previous Page IconTo Previous Page
To Previous Page IconTo Previous Page
Loading...
SH-V814
8
! !
!"#!$%&,%0'(#'4&$+"*)*'$"!&
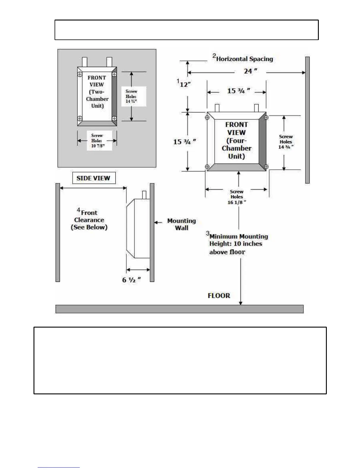
1
Top Clearance: For removal of heating elements and to provide room for plumbing connections, a minimum of 12
inches is required.
2
Side Clearance: Allow an overall minimum horizontal space for the heater of 24 inches for removal of protective
cover screws and access to electrical wires entering the heater from the side.
3
Mounting Height: For safety, ease of installation and service, the suggested height above the floor is 42 to 48
inches, (minimum 10 inches). Do not install electrical disconnect or sub-panels below heater as this may interfere
with access to the clean out plates located under the heater.
4
Front Clearance: In the absence of a door or removal access panel in front of the heater, allow 32 to 36 inch
clearance in front of the heater for protective cover removal and ease of service.

Related product manuals