EasyManua.ls Logo

Seisco SH-05 - Page 8

Default Icon
24 pages
Print Icon
To Next Page IconTo Next Page
To Next Page IconTo Next Page
To Previous Page IconTo Previous Page
To Previous Page IconTo Previous Page
Loading...
SH-V814
5
!
JFMJLN! A&^A8[! ')C.DD)1\0! (AB(! [./! C.1(BC(! B! D)CAB1&CB8!
C.1('BC(.'! .'! )1^&1))'! ('B&1)\! &1! A[\'.1&C! 0]BC)! A)B(&1^!
\)0&^1,!3A&0!DB1/B8!&0!\)0&^1)\!(.!^&f)!B1!.f)'f&)a!!._!(A)!
&00/)0!(.!d)!C.10&\)')\!aA)1!/0&1^!-[\'.1&C!-)B()'0,!
!
3A)! DB*&D/D! ()D])'B(/')! ._! (A)! A)B(&1^! _8/&\! _'.D! (A)!
J)&0C.!-[\'.1&C!-)B()'!&0!76s9!(.!$#`s9,!!3A)!8)1^(A!._!(A)!
(/d&1^!B0!a)88!B0!(A)!0]BC&1^!\)()'D&1)0!A.a!D/CA!A)B(!&0!
'B\&B()\! (A'./^A! (A )! 0/''./1\&1^! )1f&'.1D )1 (,! J&1C) ! @ F4 !
(/d&1^! 8)1^(A0! CB1! d)! /]! (.! ?6 6! _(,! _.'! pc2! (A)! BD./1(! ._!
0/'_BC)! B')B! &0! A&^A,! S&(A! B! A&^A! 0/'_BC)! B')B! _.'! 'B \&B(&1^!
A)B(2!(A)!()D])'B(/')!._!(A)!A)B(&1^!_8/&\!CB1!d)!8.a)')\,!!
!
-)B(!('B10_)'!_8/&\!&0!B80.!B!\)0&^1!C.10&\)'B(&.1,!-[\'.1&C!
A)B(&1^!0[0()D0!DB[!/0)!$66t!aB()'!.'!B!aB()'!]'.][8)1)!
^8[C.8! D&*(/')2! C.DD.18[! "6>?6t! d/(! B0! A&^A! B0! `6t,!
L.D].0&(&.1!._!(A)!A)B(!('B10_)'!_8/&\!B__)C(0!]')00/')!\'.]!
(A'./^A./(! (A)! 0[0()D,! @ ')00/')! \'.]! B1\! _8.a! 'B()!
\)()'D&1)!]/D]!0&j),!!
!
Q0)!' B\&B1(! (/d&1^! DB1/_BC(/')\!a&(A!B!dB''&)'!(.!]')f)1(!
.*[^)1! \&__/0&.1,! N*[^)1! \&__/0&.1! &0! B! ]'.C)00! aA)')d[!
\&00.8f)\! .*[^)1! ])'D)B()0! (A)! aB880! ._! (A)! (/d&1^! B1\!
)1()'0!(A)!A)B(&1^!_8/&\,,!!
!
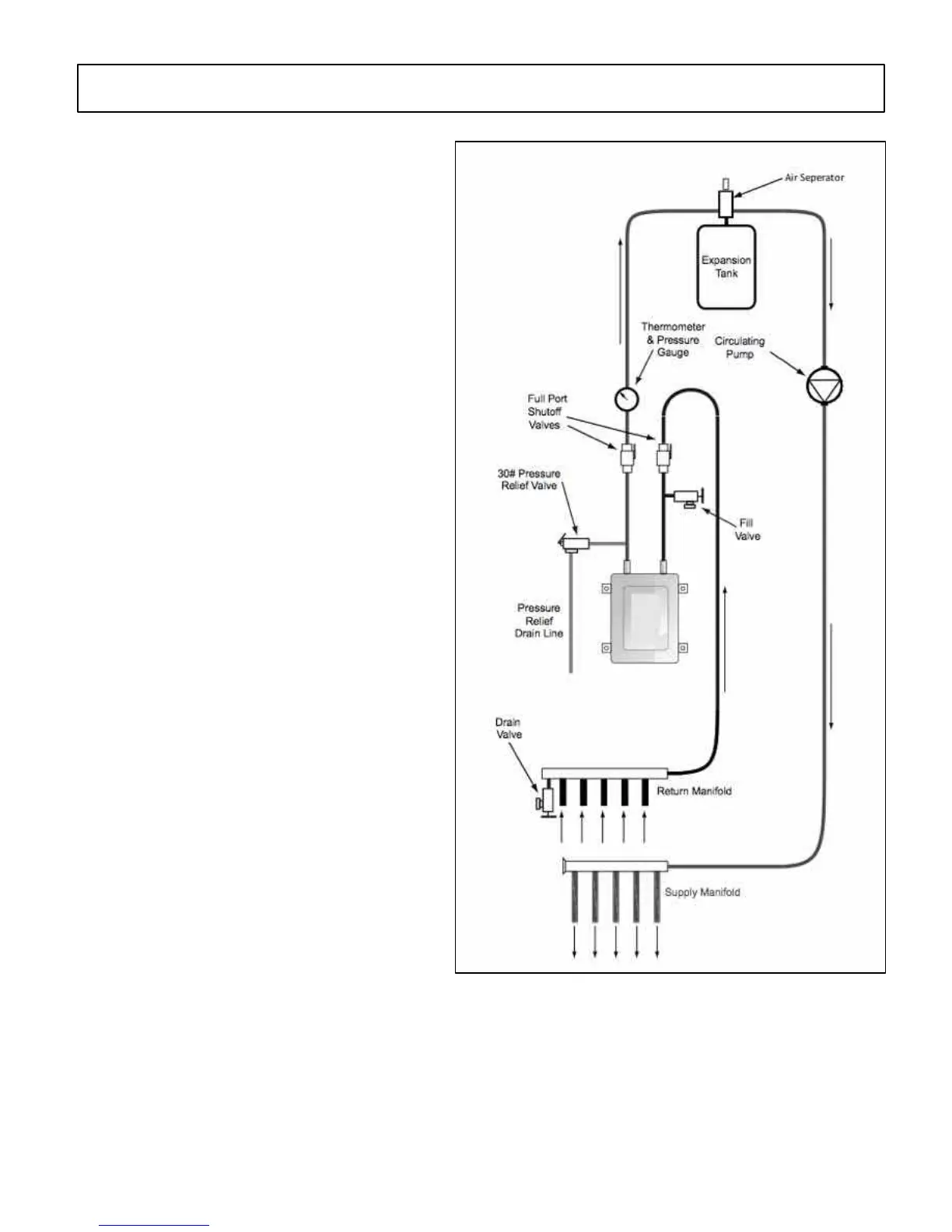
-[\'.1&C! ]&]&1^! 0[0()D0! C.DD.18[! /0)! A)B\)'0! .'!
DB1&_.8\0! B0! C.11)C(&.10! _.'! 0/]]8[! B1\! ')(/'1! 8&1)0,!
-)B\)'0!B88.a!B!8B'^)!BD./1(!._!A)B(&1^!_8/&\!(.! d)!]/D])\!
(.! B! C.DD.1! 8.CB(&.1! B1\! (A)1! \ &0('&d/() \! (A './^ A./ (!
d'B1CA)0!.'!8..]0! ._!(/d&1^,!!F8)C('.1&C! C.1('.8!._! (A)!)1(&')!
0[0()D!&0!d)[.1\!(A)!0C.])!._!(A&0!DB1/B8,!!!See#page#20#for#
wiring#diagram.#
!
F8&D&1B(&1^!B&'!&0!C'&(&CB8!&1!A[\'.1&C!0]BC)!A)B(&1^!0[0()D0,!
%&'! B1\! .*[^)1! CB/0)! C.''.0&.12! &D]'.])'! _8.a! ._! A)B(&1^!
_8/&\! (A' ./ ^ A. / (! (A)! 0 [0 ()D!B1\! B ! A.0(! ._! .(A)'! ] '.d8)D 0 ,!
Seisco%requires%the%installation%of%an%active%air%eliminator%
with%a%coalescing%medium%to%trap%and% eliminate%air%from%
the% system.%%3A)! ! %&'! 0)]B'B(.'! 0A./8\! d)! &10(B88)\!
&DD)\&B() 8[ ! d)_.')! (A)!&18)(!(.!(A)! ]/D] ,! !)HZSXH& FOO&F^T&
`TSZ&GVH&JQJGHZ&[H`ST H&FUG^XFG^I_&GVH&JH^JUSC!
!
@')00/')! B1\! ()D])'B(/')! ^B/^)0! B88.a! (A)! &10(B88)'! B1\!
/0)'! B! aB[! (.! D.1&(.'! (A)! 0[0()DR0! .])'B(&.1,!!F*]B10&.1!
(B1l0! B')! /0)\ ! (.! )8&D&1B()! )*C)00&f)! ]')00/')! d/&8\/]! &1!
(A)!0[0()D!B0!(A)!A)B(&1^! _8/&\!)*]B1\0!B1\! C.1('BC(0!\/)!(.!
A)B(&1^!C[C8)0,!!3A)! 0&j)! ._!(A)!)*]B10&.1! (B1l! &0! dB0)\!.1!
(A)! BD. /1 (! ._! _8/&\! (A)! 0[0()D! A.8\0! B1\! (A)! ()D ])'B (/')!
'&0)! ._! (A)! A)B(&1^! _8/&\,! ! @')00/')! ')8&)_! fB8f)0! 0)'f)! (.!
]'.()C(!(A)!0[0()D!0A./8\!B1!.f)']')00/')!0&(/B(&.1!.CC/',!
3A)[! B')! 1.(! \)0&^1)\! B0! B! C.1('.8! fB8f)! (.! C.10(B1(8[!
')8&)f)!]')00/'),!!L.10/8(!a&(A!C.D].1)1(!0/]]8&)'0!_.'!]'.])'!B]]8&CB(&.1!._!0[0()D!C.D].1)1(0,!!
!
A%30?psi% maximum%pressure%relief%valve%with%drain%line%is%required.!!3A)!\&0CAB'^)!_'.D! (A)!()D])'B(/')!B1\U.'!] ')00/')!')8&)_!
fB8f)!0A./8\!d)!]&])\!(.!]')f)1(!d/'1!ABjB'\0,!SB()'!\ &0CAB'^)\!_'.D!(A)!')8&)_!fB8f)!C./8\!CB/0)!0)f)')!d/'10!&10(B1(8[2!0CB8\02!. '!
\)B(A,!!3A)!()D])'B(/')!B1\U.'! ]')00/')!')8&)_!fB8f)!D/0(!d)!DB1/B88[!.])'B()\!.1C)!B![)B'!(.!CA)Cl!_.'!C.'')C(!.]) 'B (&.1 ,!+N!HN 3 !
]8BC)!B1[!.(A)'!([])! fB8f)! .'! 0A/(!.__!\)f&C)!d)(a))1!(A)!')8&)_!fB8f)!B1\! (A)!/1&(,!!+.!1.(!]8/^!(A)!()D])'B(/')!B1\U.'!]')00/')!')8&)_!
fB8f)!B1\!\.!1.(!&10(B88!B1[!')\/C&1^!_&((&1^0!.'!.(A)'!')0('&C(&.10!&1!(A)!')8&)_!8&1),!3A)!')8&)_!8&1)!0A./8\!B88.a!_.'!C.D]8)()!\'B&1B^)!._!
(A)!fB8f)!B1\!(A)!8&1),!!M_!B!()D])'B (/') !B1\U.'!]')00/ ')!')8&)_!fB8f)!\ &0CA B'^) 0!])'&.\&CB88[2!C.1(BC(![./'!&10(B88)'!.1!A.a!(.!C.'')C(!
(A&0!0&(/B(&.1,!+.!1.(!]8/^!(A)!')8&)_!fB8f),!! !
1
#'!(*++*(#%'&40#-"&
2
!

Related product manuals