EasyManua.ls Logo

Sennheiser EW-D EM - Page 241

Sennheiser EW-D EM
249 pages
Print Icon
To Next Page IconTo Next Page
To Next Page IconTo Next Page
To Previous Page IconTo Previous Page
To Previous Page IconTo Previous Page
Loading...
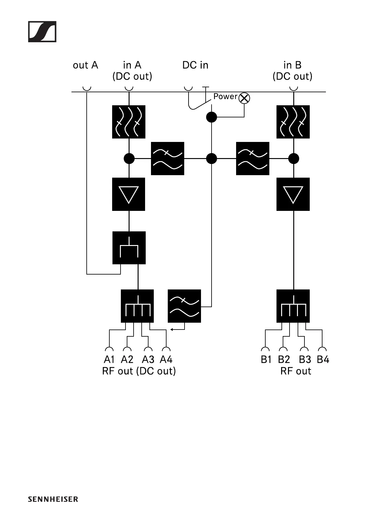
EW-D ASA antenna splitter
240