EasyManua.ls Logo

Serpento Defender - Gear Shifting Guide

Serpento Defender
Print Icon
To Next Page IconTo Next Page
To Next Page IconTo Next Page
To Previous Page IconTo Previous Page
To Previous Page IconTo Previous Page
Loading...
24
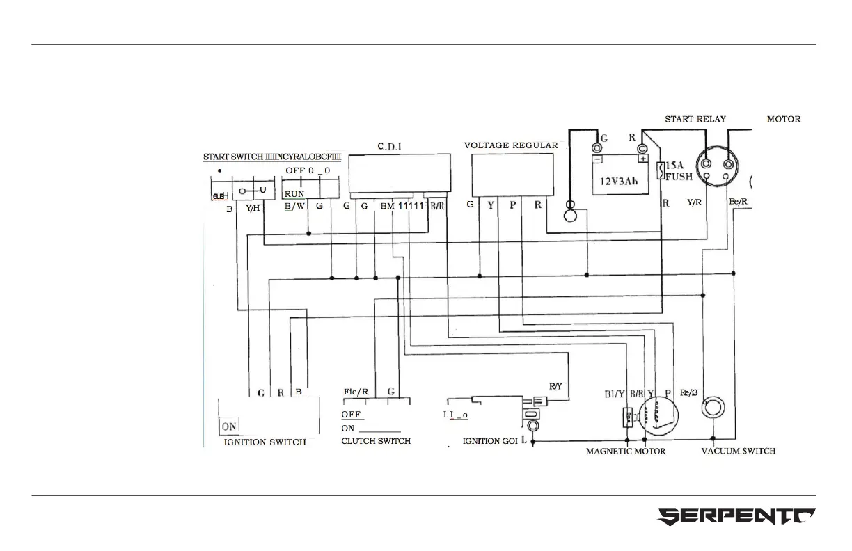
DIAGRAMA ELÉCTRICO

Related product manuals