EasyManua.ls Logo

SERV-WARE ER5-HC - Page 14

SERV-WARE ER5-HC
18 pages
Print Icon
To Next Page IconTo Next Page
To Next Page IconTo Next Page
To Previous Page IconTo Previous Page
To Previous Page IconTo Previous Page
Loading...
www.servware.com
800•7685953
Service, Installation & Care Manual
13
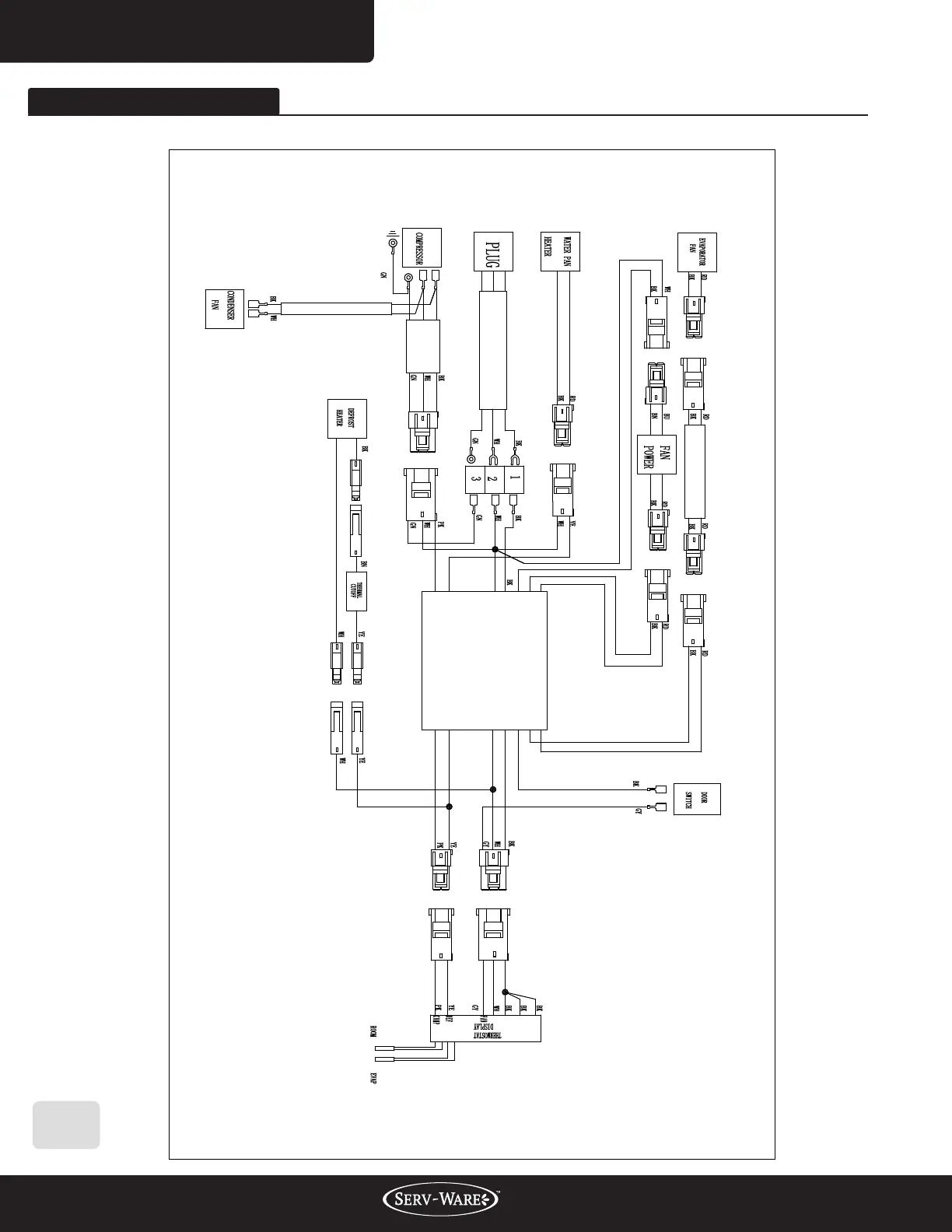
WIRING DIAGRAM
MODEL:
EF5-HC