EasyManua.ls Logo

Server IntelliServ IS-1/3 - Wiring Diagrams; 120 V Units Wiring

Server IntelliServ IS-1/3
12 pages
Print Icon
To Next Page IconTo Next Page
To Next Page IconTo Next Page
To Previous Page IconTo Previous Page
To Previous Page IconTo Previous Page
Loading...
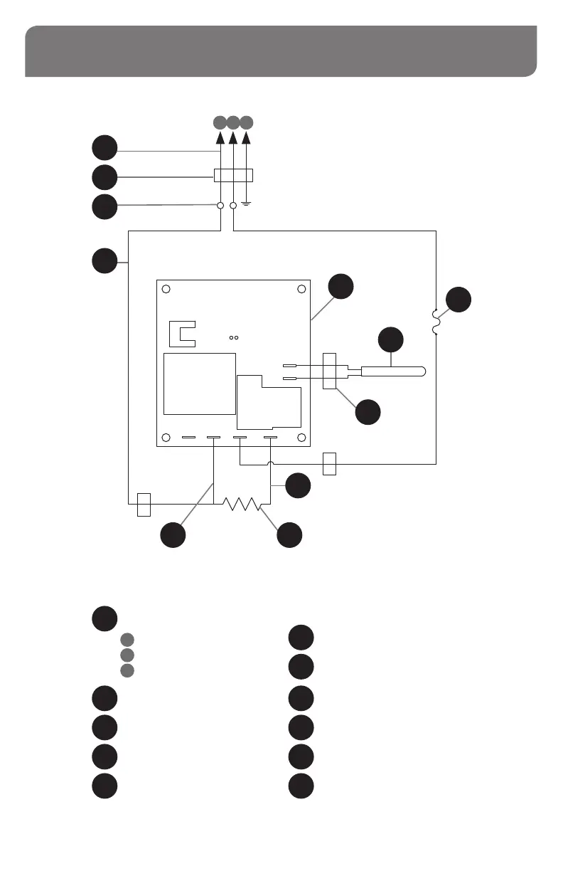
Page 7
WIRING UNITS 86090, 86254, 86481 (120V)
Cord Assembly
120V USA
White
Black
Green
Bushing/Strain Relief
Wire Nut
19" White Wire Assembly
6" White Wire Assembly
A B C
500W Heating Element
6" Black Wire Assembly
Thermal Cutout
Thermistor Assembly
Temperature Controller
3/4 Hole Shorty Bushing
CHASSIS GROUND
PROBE
T1
L2
T2
N
T3
H/L1
T6
LOAD
1
1
2
3
4
5
8
9
10
11
6
7
5
9
2
6
3
7
8
10
11
4
A
B
C