EasyManua.ls Logo

Sharp 21L-FG1RU - Page 53

Sharp 21L-FG1RU
80 pages
Print Icon
To Next Page IconTo Next Page
To Next Page IconTo Next Page
To Previous Page IconTo Previous Page
To Previous Page IconTo Previous Page
Loading...
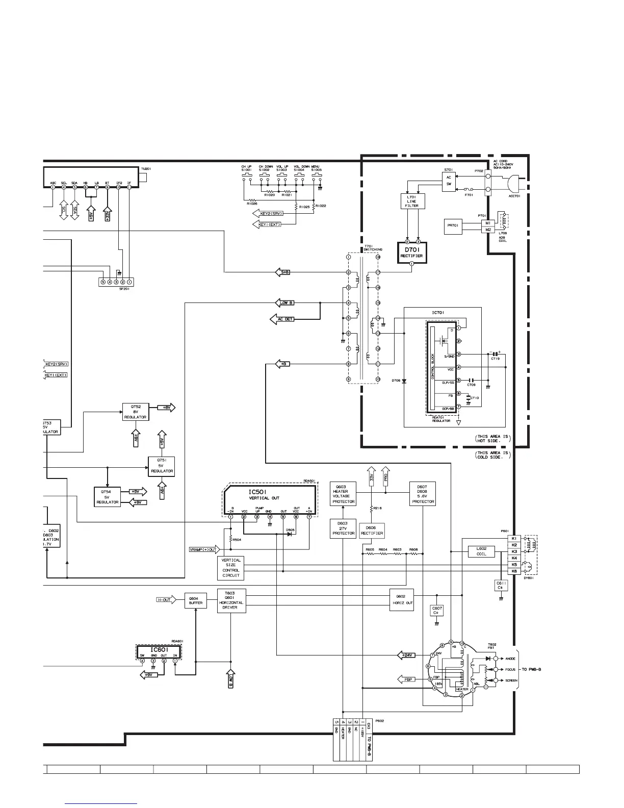
21L-FG1SA/SF/SM/RU
8 – 2
10 11 12 13 14 15 16 17 18 19

Other manuals for Sharp 21L-FG1RU

Related product manuals