EasyManua.ls Logo

Sharp 21LT-45SES - Page 47

Sharp 21LT-45SES
56 pages
Print Icon
To Next Page IconTo Next Page
To Next Page IconTo Next Page
To Previous Page IconTo Previous Page
To Previous Page IconTo Previous Page
Loading...
35
AK - 44
CHASSIS
8 9
10
11 12 13 14
I
H
G
F
E
D
C
B
A
Page 34
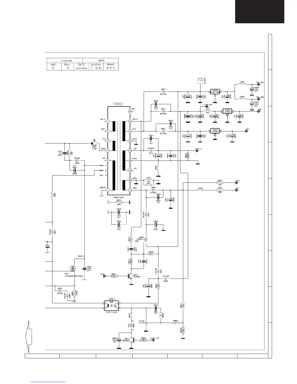
18.3 Schematic Diagram of SMPS Circuit

Table of Contents

Related product manuals