EasyManua.ls Logo

Sharp 21LT-45SES - AK-44 CHASSIS Hotel Mode Functions

Sharp 21LT-45SES
56 pages
Print Icon
To Next Page IconTo Next Page
To Next Page IconTo Next Page
To Previous Page IconTo Previous Page
To Previous Page IconTo Previous Page
Loading...
37
AK - 44
CHASSIS
8 9
10
11 12 13 14
I
H
G
F
E
D
C
B
A
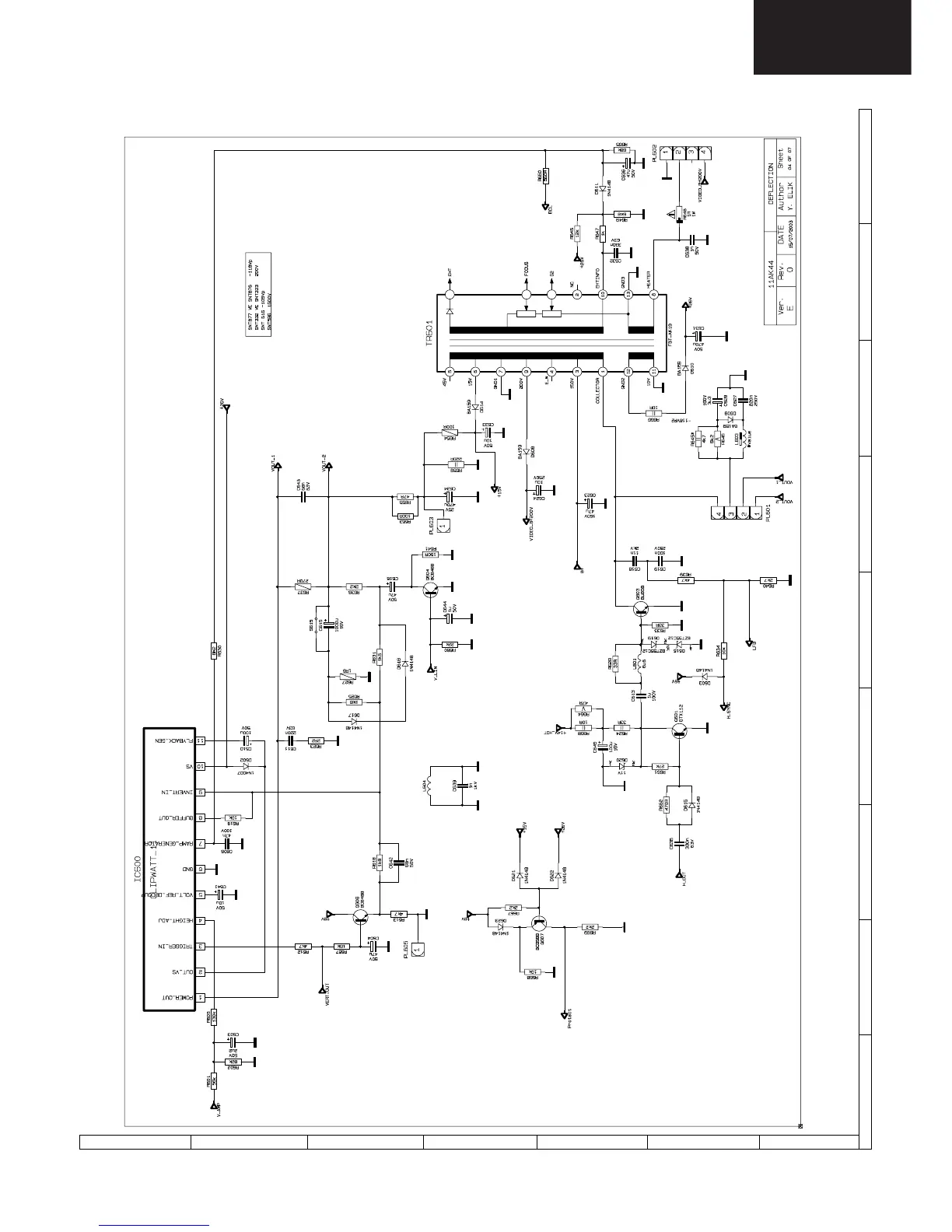
18.5 Schematic Diagram of Deflection Circuit

Table of Contents

Related product manuals