EasyManua.ls Logo

Sharp CD-C621H - Page 10

Sharp CD-C621H
24 pages
Print Icon
To Next Page IconTo Next Page
To Next Page IconTo Next Page
To Previous Page IconTo Previous Page
To Previous Page IconTo Previous Page
Loading...
– 21 –
CD-C621H
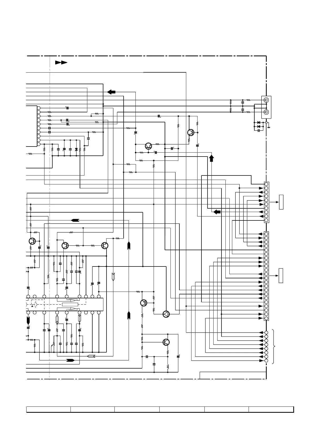
Figure 21 SCHEMATIC DIAGRAM (2/9)
7
8 9 10 11 12
CNP303
R640 47K
R642
47K
R602 1.5K
C604
4.7/50
R604 1.5K
C606
4.7/50
R606 1.5K
R608 1.5K
C602
4.7/50
C654
4.7/50
C652
47/16
C651
3.3/50
C653
4.7/50
C650
3.3/50
C620
10/50
ZD602
MTZJ2.4B
R641
47K
R653
220K
R655
5.6K
R651
2.2K
R157
220K
L103
100µH
Q121
2SC3331
R153
10K
2
.4B
R630
560
(1/2W)
C628
0.22
C614 0.22
C612 0.033
R612
15K
R610
10K
C616
4.7P
R623
5.6K
IC601
M62439SP
AUDIO PROCESSOR
11
12
13
14
15
16
17
18
19
20
R626 2.2K
R624
330
C618
0.022
C631
390P
C632
390P
R632
22K
R633
22K
R634
22K
R652
220K
R652
2.2K
R654
5.6K
R656
1K
L104
330µH
R168
12
R162
47K
R164
4.7K
C150
0.0039
R167
100K
R166
47K
R160
150
R172
220K
2
W)
R631
22K
R638
220K
R637
220K
JK601
9
8
7
6
5
4
3
2
1
CNP701
R158
220
Q124
2SA1015 GR
Q128
KTC3203 Y
C151
0.027
(ML)
C152
47/25
Q126
KRC104 M
IC101
AN7345K
PLAYBACK AND
RECORD/PLAYBACK AMP.
R141
56
R135
8.2K
C129 470P
R139 560
C141
1/50
C127
0.022
C128
3.3/50
C131
0.001
C146
220/10
R146
10K
C135 0.068
C139 0.0033
R145
10K
R137
6.8K
C121
1/50
3
.
9K
9
P
C145
22/25
C140
0.0033
C130
470P
C142
1/50
R140 560
C132
0.001
R138
6.8K
C134
22/25
R132
33K
2
0
P
R126
5.6K
C136
0.068
R142
56
3
.
9K
C122
1/50
R125
5.6K
R131
33K
C133
22/25
9
8
7
6
5
4
Q122
2SC3331
C156
3.3/50
C154
47/16
R156
220K
R174
5.6K
70
0
R175
1K
2SC3331
C630
0.022
D601
1SS133
D602
1SS133
CNS701
P24 1 - D
TO DISPLAY PWB
P22 1 - E
TO POWER SECTION
7
6
8
4
5
MAIN PWB-A1(1/2)
SP_DET
SP_RLY
+5V
VF2
–VF
VF1
–15V
M_12V
REC_R
+5V
–15V
SPA_SIG
A_GND
M_12V
D_GND
REC/PLAY
T_BIAS
T_T1 T2
S_MUTE
HI_CUT
SP_RLY
SP_DET
SPN_P
VF2
-VP
VF1
DO
CLK
CE
DI
0V
0.7V
0.7V
0V
0V
11.6V
0V
0V
0V
0V
VIDEO
IN
0V
Vcc
ALC
GND
ALC
RIPPLE
Nor/CrO2
+
+
Hich=CHROME
56K
2
K
56K
2
K
0V
–B
–B
+B
DI
A_12V
D_GND
CLK
CE
DO
TUN_L
A_GND
TUN_R
TUN_SM
TUN_SM
–B
+B
–B
+B
+B
+B
–B
1
2
P28 6 - C
TO TUNER PWB
D
SIGNAL
CD SIGNAL
L-CH
R-CH
R154
10K
REC_L
R134
68K
11.7V
0V
11.6V
3
17
15
16
10
9
8
7
6
5
4
3
2
1
10
11
12
13
14
15
16
17
18
19
20
21
22
10 11 12
17
18
1920
21 16
15 14 13
R136
8.2K
MUTING
MUTING
SWITCHING
BIAS
BIAS OSC
CNS303
Q650
2SC3331
Q651
2SC3331

Related product manuals