EasyManua.ls Logo

Sharp CD-C621H - Page 16

Sharp CD-C621H
24 pages
Print Icon
To Next Page IconTo Next Page
To Next Page IconTo Next Page
To Previous Page IconTo Previous Page
To Previous Page IconTo Previous Page
Loading...
– 27 –
CD-C621H
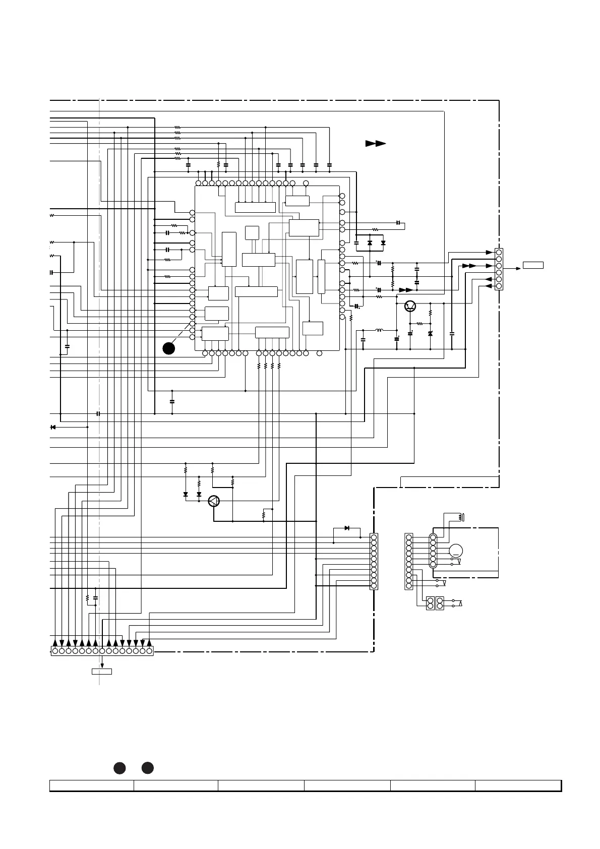
Figure 27 SCHEMATIC DIAGRAM (8/9)
7
8 9 10 11 12
• The numbers 1 to 12 are waveform numbers shown in page 37.
R84
2.2K
D1
1SS133
IC2
LC78622NE
SERVO/SIGNAL
CONTROL
R55
100
C57
0.001
R65
1K
D82
1SS133
C83
0.022
R80
820
R81
820
Q51
KRC102 M
D92
1SS133
D93
1SS133
R83
390
R82
390
C56
0.022
D91
1SS133
Q52
KTC3203 Y
C52
100/16
R64
22
R66
220
ZD61
MTZJ5.6B
C51
100/16
C50
0.022
L61
0.82µH
C37
0.022
R47
10K
C46
100P
(CH)
R
39
K
R44
33K
R42
47K
R51
3.3M
8
1
D81
1SS133
C45
100P(CH)
C44
100P(CH)
R50
680
C39
0.047
C40
0.047
R52
27K
R60
1K
C38
0.01
C49
100P(CH)
C48
100P
C43
330/6.3
R53
1.2K
C
23
0
027
C22
220P
C47
100P(CH)
C71
10/50
C72
10/50
R71
2.7K
R72
2.7K
1
2
3
4
5
6
7
8
9
10
CNP10
16
15
14
13
12
11
10
9
8
7
6
5
4
3
2
1
32
31
30
29
28
27
26
25
24
23
22
21
20
19
18
17
44
43
42
41
40
39
38
37
36
35
34
33
48
47
45
46
64
63
61
62
60
59
58
57
56
55
54 53
52
51
50
49
CNP11
C75
0.001
X1
16.934 MHz
R93
220
C73
220P
C74
220P
R73
100K
R74
100K
CNS11
TO MAIN PWB
CD SERVO PWB-B
1
1
2
3
4
5
6
7
8
9
10
2
3
4
5
6
1 1
2 2
SOLM2
SOLENOID
M
M3
T/T
UP/DOWN
LOADING
SW1
OPEN
CLOSE
SENSOR PWB-E
SW2
MECHA UP
SW3
DISC NUMBER
CNS12
P25 12 - B
TO DISPLAY PWB
CD SIGNAL
M–
M+
CD_D_NO
R88 1.2K
R89 1.2K
R90 220
R91 1K
+5V
NC
NC
TEST5
/CS
TA1
2KX8
RAM
1BIT
@
DAC
SERVO
COMMAND
TES
HLF
V/P
CLV_
CLV+
TEST2
EFMIN
EFMO
VSS
FR
VVDD
ISET
VVSS
PDO
DEF1
TOFF
TGL
JP+
JP_
PCK
FSEQ
VDD
CONT1
CONT2
CONT3
CONT4
CONT5
EMPH
C2F
CLV
DIGITAL
SERVO
OUTPUT
EXTERNAL
SYNC-DETECT
EFM DEMODULATE
SLICE
LEVEL
CONTROL
VCO CLOCK
OSC CONTROL
ERROR COERECT
FLAG CONTROL
DIGITAL
OUT
TEST3
DOUT
4FS
DIGITAL
FILTER
TEST1
TEST4
MUTEL
LVDD
LCHO
LVSS
RVSS
RCHO
RVDD
MUTER
XVDD
XOUT
XIN
XVSS
SBSY
EFLG
SUB-CODE
µ-COM
INTERFACE
TEST11
SBCK
SFSY
PW
FSX
WRQ
RWC
SQOUT
COIN
/CQCK
/RES
16M
4M
X-TAL
GENERATOR
RES(DSP)
WRQ(DSP)
RWC(DSP)
CQ CK(DSP)
CO IN(DSP)
SQ OUT(DSP)
DRF(ASP)
D_GND
SLD+
SLD–
PCCL
UP/DOWN
DISC NO.
NC
NC
NC
NC
NC
NC
NC
NC
NC
NC
NC
NC
NC
CD_LCH
A_GND
CD_RCH
+B
R57 1K
R58 1K
R59 1K
R61 1K
R62 1K
R63 1K
+B
L-CH
A_GND
R-CH
D-GND
+7V
+12V
+B
+B
+B
+B
+B
+B
+B
+B
+B
+B
+B
+B
SOL+
SOL–
M+
M–
GND(D)
DISC NO.
GND(D)
MECHA UP
GND(D)
LOCK
DISC NO
+
CNS10
BIM05
CNS5
OPEN CLOSE
1
2 3
PUIN SW
OP/CLOS
B
15
14
13 12
11
10
9
8
7
6 5
4
3
2 1
6
5
4
3
2
1
P20 1 - B
11

Related product manuals