EasyManua.ls Logo

Sharp CD-E700H - CD playback operations

Sharp CD-E700H
60 pages
Print Icon
To Next Page IconTo Next Page
To Next Page IconTo Next Page
To Previous Page IconTo Previous Page
To Previous Page IconTo Previous Page
Loading...
– 19 –
CD-E700H
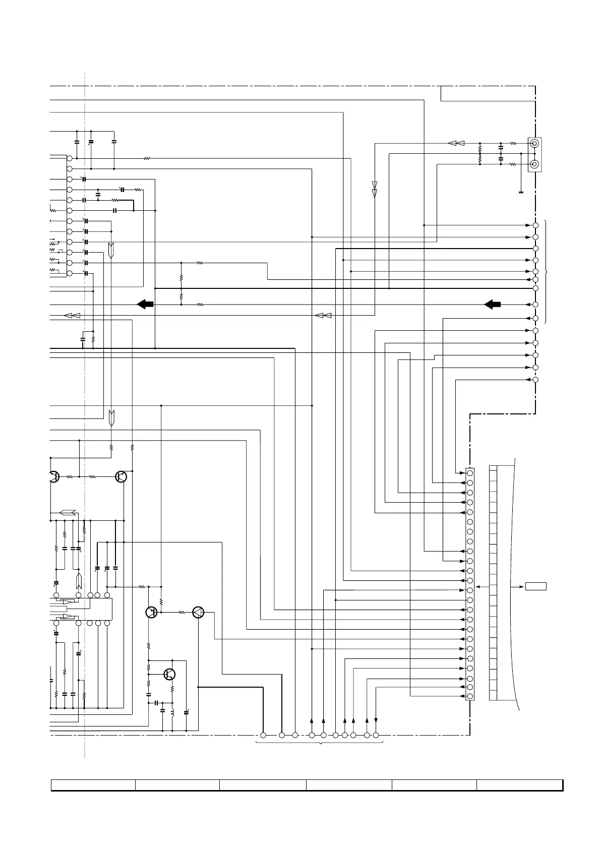
Figure 19 SCHEMATIC DIAGRAM (2/10)
7
8 9 10 11 12
0.7V
0.7V
0V
0V
0V
0V
0V
11.6V
11.6V
0V
0V
19 20 21 22 23 24 25 26 27 28
1
2
3
4
5
6
7
8
9
29
30
31
32
33
24
23
22
21
20
19
18
17
16
15
14
13
17 16 15 14 13
89
10 11 12
A+10V
+B_PROTECT
M_+13V
SP_RLY
SW_5V
SP_DET
TAPE_A_GND
AGND
REC_R
A+10V+B
+B
+B
+B
+B
+B
+B
+B
+B
+B
REC_L
(AUDIO PRO)
D_GND
M_GND
SW_5V
S_MUTE
M_+13V
TO MAIN PWB
P21 9-G
+B_PROTECT
–20dB
SP_DET
D_GND
SP_RLY
REC/PLAY
T_T1/T2
T_BIAS
CLK
DI
CE
FFC701
CNP701A
TO
DISPLAY PWB
P24 1-F
DO
11
16
15
14
13
12
10
9
8
7
20
24
24
23
22
21
19
18
17
6
5
4
3
2
1
1
A+10V
DGND
DI
CLK
AGND
TUN_L
RDS-READY
RDS-READY
RDS-RDCL
RDS-RDCL
RDS-RDDA
RDS-RDDA
RDS-RST
RDS-RST
TUN_SM
TUN_SM
DO
TUN_R
CE
CHASSIS
R-CH
L-CH
MAIN PWB-A1(1/3)
TO POWER SECTION
P22 1-F
56K
56K
C
HROME
+
+
Nor/CrO2
RIPPLE
ALC
ALC
Vcc
R1
R2
R3
R4
RSEL0
RIN
RTRE
RBASS
ROUT
VREF
VDD
CLK
1
23
MUTING
MUTING
SWITCHING
BIAS
BIAS OSC.
O
R
C653
220P
C601
220/16
C602
0.022
R603
1K
C603
22/50
C608
0.15
C610
1/50
R604
10K
C612
0.0022
R606
3.9K
C606
0.12
C624
1/50
C622 1/50
C620 1/50
C618 1/50
C616 4.7/50
C614 1/50
R642
10K
R643
22K
R641
10K
R644
22K
C626
0.0022
R608
1.2K
R137
220K
R136
220K
R138
10K
R139
10K
Q108
KTC3199 GR
Q107
KTC3199 GR
C128
0.022
C132
47/25
C130
0.0033
R132
100
R130 1.5K
R134
10K
C133 22/50
C134 220/10
C135 0.022
C126
22/50
C125
22/50
C131
47/25
R131 1.5K
R133
100
C127 0.022
C129 0.0033
R135
10K
C138
0.0082
C137
0.047
(ML)
C140
47/25
Q111
KTC3203 Y
R142
82 (1/2W)
C139
0.039(ML)
R143
47K
L103
330 µH
R144
22K
R145
4.7
Q110
KRC104 M
R141
4.7K
R140
47K
Q109
KTA1266 GR
R158
220
CNP701B
R690
6.8K
C690
390P
R691
6.8K
C691
390P
R693
33K
R692
33K
JK690
VIDEO/AUX IN

Other manuals for Sharp CD-E700H

Related product manuals