EasyManua.ls Logo

Sharp CMS-555E(GY) - Block Diagram

Sharp CMS-555E(GY)
32 pages
Print Icon
To Next Page IconTo Next Page
To Next Page IconTo Next Page
To Previous Page IconTo Previous Page
To Previous Page IconTo Previous Page
Loading...
a
nn
CNMIS-555E
CiViS-555E
1Ge-
LAL
265
FM/AM
[F
DET
+53
:
1c3
es
>
HA1332L
+53
ANTENNA
FM
MPX
PLL
¥86
FOR
E
|
FILTBA
75
GHMS(O
+B2
V7
ese
‘RESET
EEE
io,
Leop3at
TUNER
LCD
“~
$0101
>:
CD/VIDEO
oy
TAPE1
PLAYBACK
HEAD
ace!
INPUT!
(1)
4-CH
INPUT2
R—-CH
(8)
ERASE
HEAD
ee
Ic1o2
BAI328
PB
AMP
see?
BAIS
OSC
aQitt
Tiat
aiog
aito
SWITCHING
rT
CARTRIDGE
OUTPUT2
6)
R-CH
|
Os
ia
“se
ie
d
CEs,
@)
(<)
+53
S¥Wi03
F
BEAT
CANCEL
O—®
DO
[asco
Ic1o03_
TA7658BF
1
|
HEC/PH
AMP
abe
+E3
Wi,
:
a
+4
S¥Wi04
SwW101-Bic)
SW1i02-1
S¥107
i!
HIGH
SPEED
DUBB
1
h
GoUsneEe
UBB
ING
TAPE
REC/PB
Tl
MUTE
}
HIGH
SPEED
G10)
+B4
SWITCHING
¥Rie2
NORMAL
TAPE
SPEED
CONTROL,
i3
esata
es
A-CH
LAME
TPUT
FILTER
i2)-(7)
CREGK
=
T¢201
BA3624LS
GAAPHIC
EQUALIZER
(2)—{4)
ry
A-CH
Parry
fies
is)
pababaks
L-CH
g2a1
/
yyyyy
Coma,
X-BASS
VR201~VR205
AMP
TBI
S“BAND
GHAPHIG
EQUALIZER
Por
+82
+53
+54
e,
LY
sw30a
POWER
FOR
DX~55HM
(GY)
DX-555EM
(GY!
ONLY
am
RY
SWi01-Dicl
CD/¥IDEO
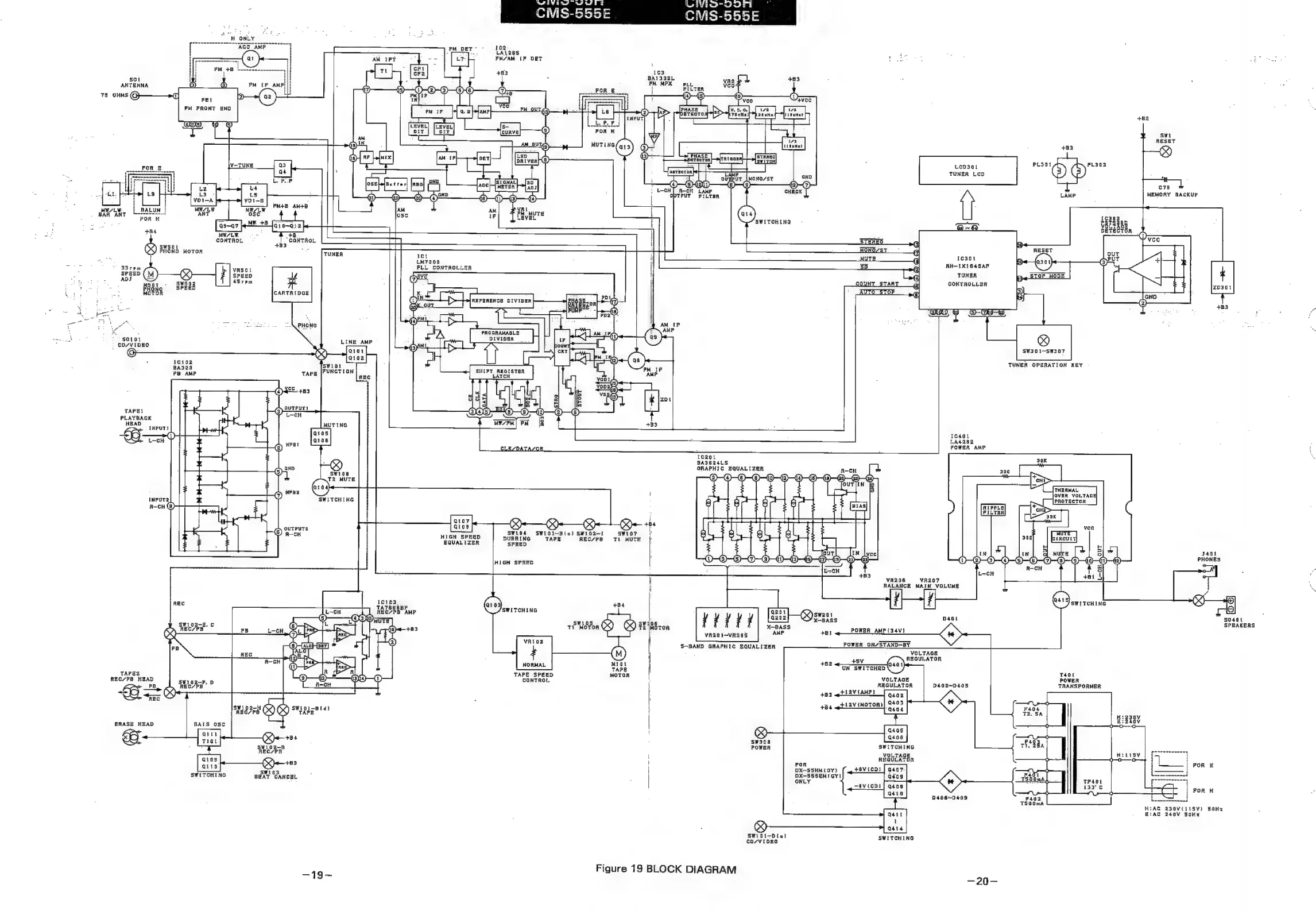
Figure
19
BLOCK
DIAGRAM
ta
POWER
AMP{34V)
+12V
(AMP)
Qsoz
+12V(mMoTOR)|
2403
"Q404
—8¥iCD)
|
atoa
Q410
Gp
~
64
Ic301
TUNER
IC401
LA4262
POWER
AMP
GND
+B3
VA2Z06
VR207
;
BALANCE
MAIN
VOLUME
Lines
D401
L,
VOLTAGE
ER
ON/STAND—BY
+5¥
REGULATOR
UN
SWITCHED
VOLTAGE
REGULATOR
D402~D405
-,
9405
Q406
SWITCHING
VOLTAGE
REGULATOR
+8vicpi
|
q4o7:
avog
®
0406-D403
SWITCHING
—?0-—
RH-IX16465AP
CONTHOLLER
LAMP
RESET
p65)
SWI01~SWI07
TUNER
OPERATION
KEY
@03
SWITCHING
T40t
POWER
TRANSFORMER
+543
OX
PL3Ot
PL302
a
c7B
MEMORY
BACKUP
203901
+B3
J4o1
PHONES
Q-—8
=
50401
SPEAKEAS
POR
E
FOR
H
Leama
HiAC
230V(515V)
S50Hz
Btac
240V
SoHz

Related product manuals