EasyManua.ls Logo

Sharp Compet 17 - Register Circuits

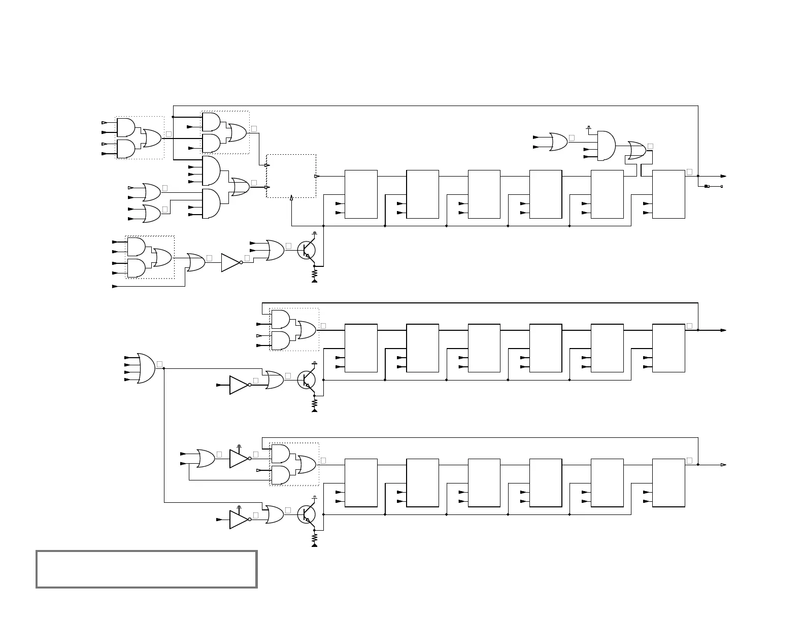
Sharp Compet 17
17 pages
Print Icon
To Next Page IconTo Next Page
To Next Page IconTo Next Page
To Previous Page IconTo Previous Page
To Previous Page IconTo Previous Page
Loading...
Sharp Compet 17 Calculator
Section: Registers
Page: 10 Rendition: 2020 May 20
2SC458
5K
ØD1416
Ø1
82
CXØnD11
2-7
9
8
11
10
7
CXØD11
8
4
1-5
ØnD11
ØD11
nP
81
2SC458
5K
ØD1416
Ø1
ØD13
nP
Ø2
6-9
D
A1
Q
A8
ØT
8
9
3
ØC
4
Ø3
ØR
2
Ø2
6-9
D
B1
Q
B8
ØT
6
7
ØC
Ø3
ØR
Ø2
6-8
D
A1
Q
A8
ØT
8
9
3
ØC
4
Ø3
ØR
2
Ø2
6-8
D
B1
Q
B8
ØT
6
7
ØC
Ø3
ØR
Ø2
6-7
D
A1
Q
A8
ØT
8
9
3
ØC
4
Ø3
ØR
2
Ø2
6-7
D
B1
Q
B8
ØT
6
7
ØC
Ø3
ØR
X
E
3-1
ØD12
P
11
10
8
9
7
E
KNUM
Sum
(CPW)
Ø2
6-3
D
A1
Q
A8
ØT
8
9
3
ØC
4
Ø3
ØR
2
Ø2
6-3
D
B1
Q
B8
ØT
6
7
ØC
Ø3
ØR
Ø2
6-2
D
A1
Q
A8
ØT
8
9
3
ØC
4
Ø3
ØR
2
Ø2
6-2
D
B1
Q
B8
ØT
6
7
ØC
Ø3
ØR
Ø2
6-1
D
A1
Q
A8
ØT
8
9
3
ØC
4
Ø3
ØR
2
Ø2
6-1
D
B1
Q
B8
ØT
6
7
ØC
Ø3
ØR
W
E
CWW
2-1
3
4
1
2
CWX
X
5
?
E
2SC458
5K
4
5
7-5
(CPM)
Ø2
6-6
D
A1
Q
A8
ØT
8
9
3
ØC
4
Ø3
ØR
2
Ø2
6-6
D
B1
Q
B8
ØT
6
7
ØC
Ø3
ØR
Ø2
6-5
D
A1
Q
A8
ØT
8
9
3
ØC
4
Ø3
ØR
2
Ø2
6-5
D
B1
Q
B8
ØT
6
7
ØC
Ø3
ØR
Ø2
6-4
D
A1
Q
A8
ØT
8
9
3
ØC
4
Ø3
ØR
2
Ø2
6-4
D
B1
Q
B8
ØT
6
7
ØC
Ø3
ØR
M
E
2-4
4
3
1
2
KMC
X
5
?
3
2
7-5
D
?
K
CMX
1
10
2
1-5
D
CWØ
CMØ
E
E
NK44
E
E
D
81
81
81
CXD12
J
CAX
2-2
10
11
8
9
P
CAW
2-2
4
3
2
1
CAM
W
M
5
7
E
E
3-2
CBX
nG
3
2
1
4
3-2
CBW
W
10
11
8
9
5
7
E
E
P
ØD13
G
K
CBWG
Serial
Adder
B In
A In
d38
d37
d14
d39
47.2
d47
§
§
§
§
§
§
§
§
§
§
§
§
§
§
§
§
P
82
82
(CPX)
NR44

Related product manuals