EasyManua.ls Logo

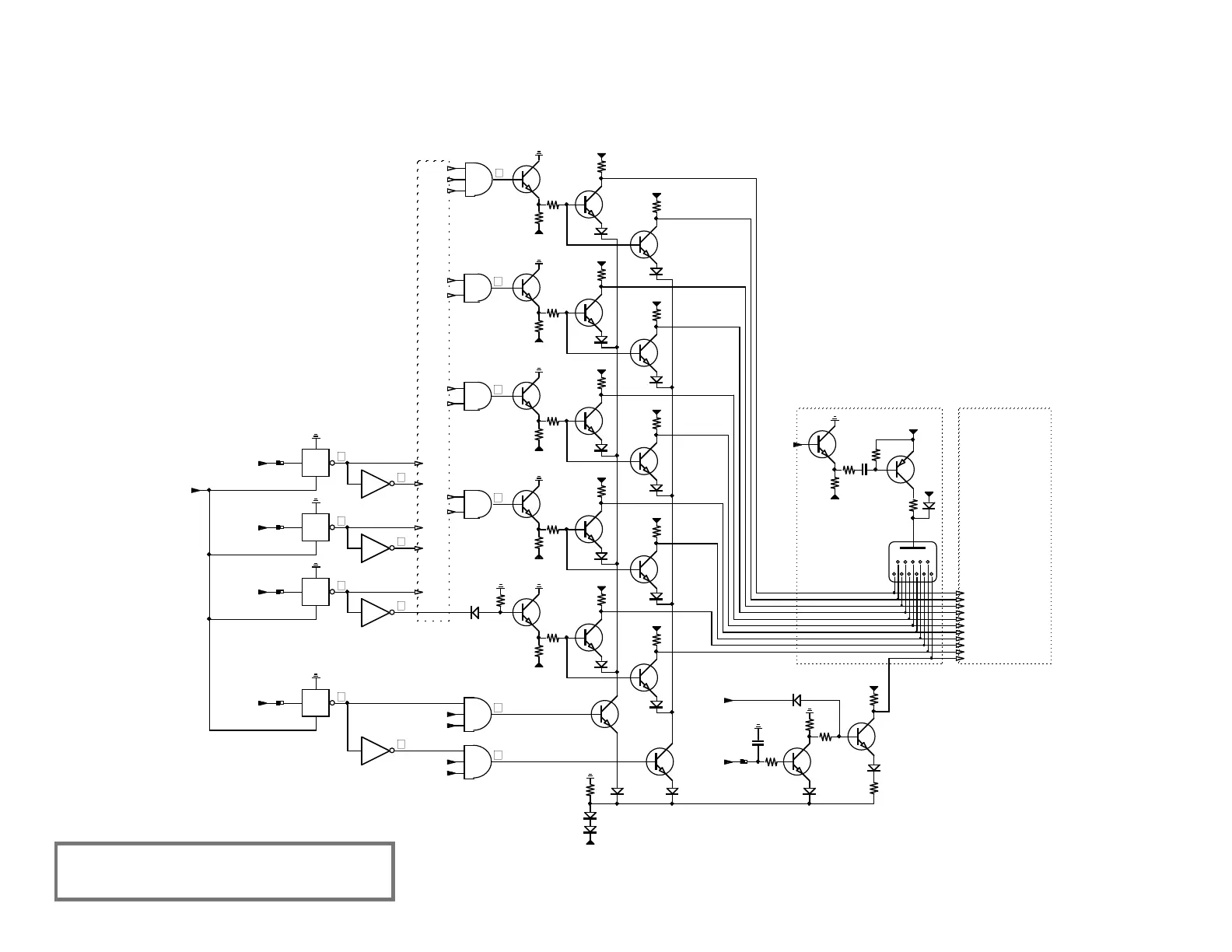
Sharp Compet 17 - Display Circuitry

Sharp Compet 17
17 pages
Print Icon
To Next Page IconTo Next Page
To Next Page IconTo Next Page
To Previous Page IconTo Previous Page
To Previous Page IconTo Previous Page
Loading...
n2
nPXI
8
7
7-1
Sharp Compet 17 Calculator
Section: Display
Page: 13 Rendition: 2020 May 20
110K
V+90D
2SC857
DIGITS 11 to 1 (LSD)
NL35
n2
2
V+190
30K
3K
0.1
250V
V+90
10K
2N4888
ØnD13
DIGIT 12 (MSD)
0
1
2
3
4
5
6
7
8
9
.
Hitachi
CD81
1
n1
110K
2SC857
2SC458
15K
110K
2SC857
110K
2SC857
110K
2SC857
110K
2SC857
110K
2SC857
110K
2SC857
110K
2SC857
110K
2SC857
10K
2SC458
10K
10K
2SC458
10K
10K
2SC458
10K
10K
2SC458
10K
9
3
1-2
XC2
NL2
9
10
7-1
n4
4
10
2
1-2
XC3
NL1
3
2
7-1
n8
8
11
1
1-2
XC4
NL3
4
5
7-1
8
4
1-2
XC1
NL4
10K
2SC458
10K
2SC857
1K
n4
n8
2
n4
n2
4
2
4
1S84
ØnB1+3
6
2SC458
40K
2SC458
ØnD1
ØnB1+3
110K
2SC458
20K
20K
50K
200pF
Ø3
40K
11
ØnD1
ØnB1+3
b
b
1
B
B
A
A
A
A
B
B
a
a
a
a
V+90D
V+90D
V+90D
V+90D
V+90D
V+90D
V+90D
V+90D
V+90D
V+90D

Related product manuals