EasyManua.ls Logo

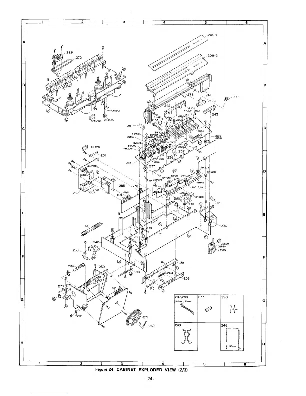
Sharp GF-575Z - CABINET EXPLODED VIEW PART 2

Sharp GF-575Z
25 pages
Print Icon
To Next Page IconTo Next Page
To Next Page IconTo Next Page
To Previous Page IconTo Previous Page
To Previous Page IconTo Previous Page
Loading...

Related product manuals