EasyManua.ls Logo

Sharp LC-26SH12U - 26" LCD HDTV - Page 47

Sharp LC-26SH12U - 26" LCD HDTV
64 pages
To Next Page IconTo Next Page
To Next Page IconTo Next Page
To Previous Page IconTo Previous Page
To Previous Page IconTo Previous Page
Loading...
ABC D E F GH
ABC D E F GH
2
1
3
4
5
6
7
8
2
1
3
4
5
6
7
8
CD403_1
CU2E0601
14PIN
CP406
A2001WR2-14P
1
10
11
12
13
14
2
3
4
5
6
7
8
9
Q424
KRC102SRTK
DAMMY
RESISTANCE
SWITCH
Q418
KRC101S-RTK
P.CON SWITCH
Q425
KRC102SRTK
DAMMY
RESISTANCE
SWITCH
F404
20N_1600FS
1.6A 125V
CP411
TWG-P23P-B1
1
10
11
12
13
14
15
16
17
18
19
2
20
21
22
23
3
4
5
6
7
8
9
IC407
LA5779
DC/DC(5V)
12345
IC406
AL1015
HDD/RW5V DC/DC CTL
1234
5678
R466
150 5W
Q410 RSS050P03
DC-DC-FET
1234
5678
R493
2.2K 1/4W
+-1%
R476_1
560 1/4W
+-1%
IC405
PQ070XF02SZH
REGULATOR
1234
S803X S803Y
S802X
S802Y
D406
EC31QS04
D455
SR240-F
D407
EC31QS04
R475
680 2W
R473
680 2W
R494
680 2W
DANS LA NOMENCLATURE DES PIECES
N’UTILISER QUE CELLS DECRITES
DANGEREUSES AN POINT DE VUE SECURITE
:LES PIECES REPAREES PAR UN ETANT
ATTENTION
:SINCE THESE PARTS MARKED BY
CAUTION
DESCRIBED IN PARTS LIST ONLY
CRITICAL FOR SAFETY,USE ONES
ARE
CAUTION: DIGITAL TRANSISTOR
W846W843
W830
W810
C449
100016V ZL_P
C453
100016V ZL_P
C469
4750V YXF
C461
10006.3V ZL_P
C458
1050V YXF_P
C470
22006.3V MHE_P
C462
10006.3V ZL_P
C456
0.01 B
C454
0.1 B
C457
0.0015 B
C473
0.0015 B
C452
27P CH
C451
0.01 B
C450
0.1
B
C425
0.1 B
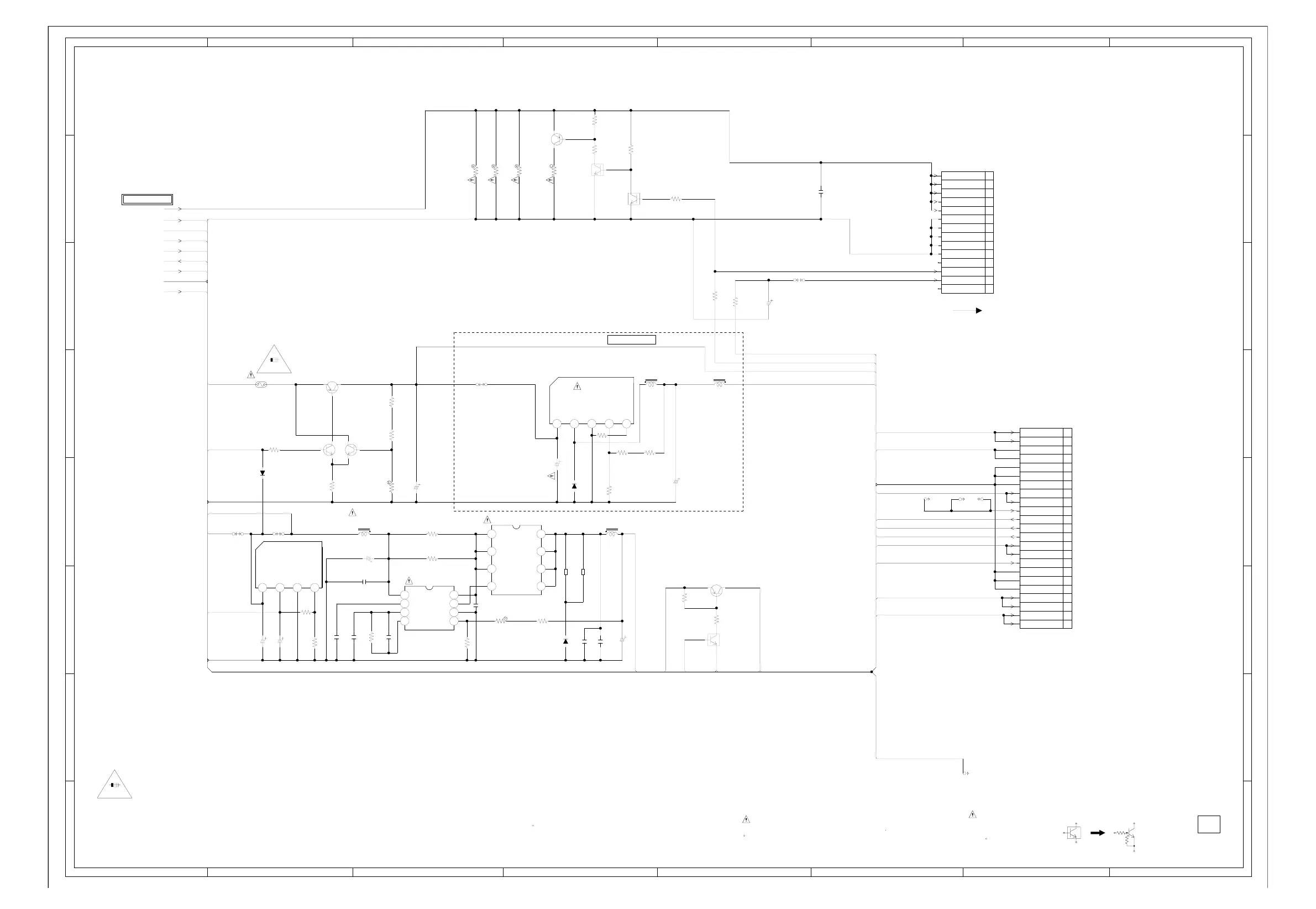
OF PRINTING AND SUBJECT TO CHANGE WITHOUT NOTICE
NOTE:THIS SCHEMATIC DIAGRAM IS THE LATEST AT THE TIME
WAS RECEIVED IN GOOD CONDITION AND PICTURE IS NORMAL.
WITH THE DIGITAL TESTER WHEN THE COLOR BROADCAST
NOTE:THE DC VOLTAGE AT EACH PART WAS MEASURED
R479
2.2K
1/2W
R470
560 1/4W
R482
2.2K +-1%
R478
22K
R491
390 +-1%
R495
100
R477
100 +-1%
R461
22K
R464
100 1/4W
R481
100 1/4W
R480
10K 1/4W
R492
2.7K
+-1%
R474
4.7K +-1%
R469
33K
R471
0.047 1/4W
R472
0.047 1/4W
R525
4.7K +-1%
R524
10K
+-1%
R484
47
+-1%
R483
6.8K
+-1%
R499
100
R486
100 1/4W
R487
4.7K 1/4W
Q420
KTC3875S_Y_RTK
SW+12V REG
Q423
KTC3875S_Y_RTK
SW+12V REG
C446
470
16V
MHE_P
B403
HCB1608KF-181T20
B402
HCB1608KF-181T20
Q421
KTA1281_Y
DAMMY
RESISTANCE
SWITCH
Q422
KTB1151
EV+17V REG
Q417
KTA1241_Y
P.CON+5V SW
L415
22uH
TSL0808
L409
33uH
7313NH
L405
22uH
TSL0808
L408
47uH1315
REPLACE ONLY WITH THE SAME TYPE FUSE
:FOR CONTINUED PROTECTION AGAINST FIRE HAZARD,
CAUTION
N’UTILISER QUE DES FUSIBLE DE MEME TYPE
:POUR UNE PROTECTION CONTINUE LES RISQUES D’INCEIE
ATTENTION
INV_SW+24V
GND
SW+12V[UNREG]
GND_S
AT+5V
POWER_FAIL
P.CON+5V
SW+5.5V
GND
SOUND+B[SW]
LIGHT_CTL
LIGHT_POWER_H
SW+12V
SW+12V[UNREG] LCD+B
SOUND+B[SW]
P.CON+5V GND_S
GND
SW+12V
GND
SW+5.5V[EU]
SYS_POWER_H
LIGHT_CTL
SW+5.5V
LIGHT_POWER_H
AT+5V
POWER_FAIL
DTV+B2
DTV+B2
DTV+B
SYS_POWER_H
DTV+B
P.CON+5V
GND
AT+5V
GND
LCD+B
H-30
H-29
1.6V 125V(F404).
1.6V 125V(F404).
1.6A 125V
:F404 IS MANUFACTURED BY SKYGATE CO.,LTD., TYPE 20N.
CAUTION
CEF273
PCB240
(POWER PCB)
POWER2 SCHEMATIC DIAGRAM
02.505.112.4
LCD+B
1.6A 125V
NC
NC
+24V
GND
GND
GND
GND
GND
N.C(open)
Analog/Dimming
ON/OFF
PWM/Dimming
+24V
+24V
+24V
+24V
LIGHTE_CTL
LIGHT_POWER_H
SYS_POWER_H
POWER_FAIL
SOUND+B
SOUND GND
SOUND GND
SOUND+B
GND
GND
GND
AT+5V
AT+5V
GND
GND
GND
SW+12V
SW+12V
0
1.3
CS
EXT
GND
FB
V5/PWON
Vref/SS
VIN
CC
13.9
1.3
1.2
4.5
S
S
S
GD
D
D
D
13.9
13.1
FROM/TO POWER1
LCD+B REG BLOCK
DTV+B
DTV+B
DTV+B2
DTV+B2
VIN VOUT G ON/OFF2.5V
(CP3401)
24.8
24.7
0
0
0
24.8
0
0
4.6
5.25.2
4.4
0
0
5.0
1.5
1.5
1.5
1.54.0
5.7
5.7
5.7
VIN
VO
GND
VADJ
1.303.95.7
13.5
5.2
4.54.5
5.1
12.8
12.4
12.8
13.5

Related product manuals