EasyManua.ls Logo

Sharp LC-32CHG6242E - Wiring Diagram of SCART, AV, Ypbpr, VGA

Sharp LC-32CHG6242E
62 pages
Print Icon
To Next Page IconTo Next Page
To Next Page IconTo Next Page
To Previous Page IconTo Previous Page
To Previous Page IconTo Previous Page
Loading...
30
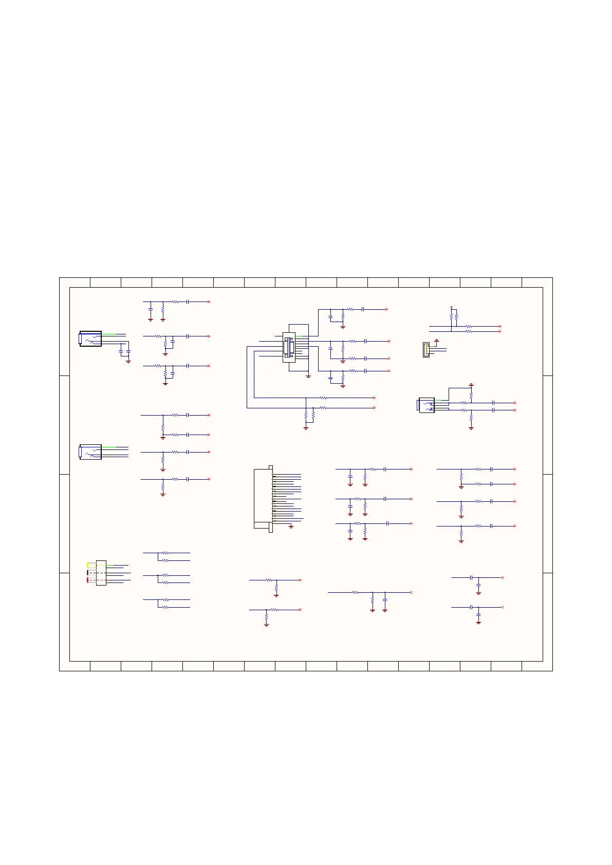
3.7 Wiring diagram of SCART, AV, YPbPr, VGA
1
1
2
2
3
3
4
4
5
5
6
6
7
7
8
8
9
9
10
10
11
11
12
12
13
13
14
14
15
15
16
16
D D
C C
B B
A A
1
2
3
4
GND
AV-L /Pb /PC_ R
AV-R /Pr /PC_ GND
AV-I N/Y /PC_ L
CN8
耳机端子,Earphone Jack,H,Φ3.6,CH2.5,Black,Seal,DIP,PJ-320M,JY
1
2
3
4
GND
AV-L /Pb /PC_ R
AV-R /Pr /PC_ GND
AV-I N/Y /PC_ L
CN13
耳机端子,Earphone Jack,H,Φ3.6,CH2.5,Black,Seal,DIP,PJ-320M,JY
1
SCART
2
3
4
5
6
7
8
9
10
11
12
13
14
15
16
17
18
19
20
21
AR-OU T
AR-IN
AL-OUT
A-GND
B-GND
AL-IN
B-I/O
FSW- I/O
G-GND
CLK-OU T
G-I/O
DATA
R-GND
D-GND
R-I/O
BK-I/O
V-GND
BK-GN D
V-OUT
V-IN
GND
AV1
EV-021F-62A-
密封
1
6
2
7
3
8
4
9
5
11
12
13
14
15
10
1716
TXD
SDA
HS
VS
SCL
R
GND
G
GND
B
GND
RXD
5V
DET
GND
GND
GND
DB15
CN7
WLHD-051A
1
2
3
4
5
GND
ERO
RSPK
LSPK
ELO
CN12
PJ-325
VGA_RIN_IC
VGA_GIN_IC
VGA_BIN_IC
GND
GND
GND
RV2
75ohm-0402-±5%-1/16W
RV8
75ohm-0402-±5%-1/16W
RV11
75ohm-0402-±5%-1/16W
GND
CV1
0.047uF-0402-X7R-±10%-16V
CV2
0.047uF-0402-X7R-±10%-16V
CV4
0.047uF-0402-X7R-±10%-16V
RV17
10Kohm-0402-±5%-1/16W
RV12
100ohm-0402-±5%-1/16W
RV16
10Kohm-0402-±5%-1/16W
RV14
100ohm-0402-±5%-1/16W
GND
RXD0/VGA_SCL_IC
TXD0/VGA_SDA_IC
RV6
100ohm-0402-±5%-1/16W
RV5
100ohm-0402-±5%-1/16W
5V_STB
RV3
4K7ohm-0402-±5%-1/16W
RV4
4K7ohm-0402-±5%-1/16W
GND
GND
VGA_HS_IC
VGA_VS_IC
PC_RIN_IC
PC_LIN_IC
VGA_SDA
VGA_SCL
VGA_SDA
VGA_SCL
VGA_HSYNC
VGA_VSYNC
VGA_SCL
VGA_SDA
YPbPr_Pr
YPbPr_Pb
YPbPr_Y
GND
RI9
75ohm-0402-±5%-1/16W
RI12
75ohm-0402-±5%-1/16W
RI14
75ohm-0402-±5%-1/16W
RV1
33ohm-0402-±5%-1/16W
RV7
33ohm-0402-±5%-1/16W
RV10
33ohm-0402-±5%-1/16W
RI8
33ohm-0402-±5%-1/16W
RI11
33ohm-0402-±5%-1/16W
RI13
33ohm-0402-±5%-1/16W
CI5
0.047uF-0402-X7R-±10%-16V
CI8
0.047uF-0402-X7R-±10%-16V
CI9
0.047uF-0402-X7R-±10%-16V
YPbPr_Pb
YPbPr_Pr
YPbPr_Y
GND
GND
YPbPr_Y_IC
YPbPr_Pr_IC
YPbPr_Pb_IC
RI10
68ohm-0402-±5%-1/16W
CI7
0.047uF-0402-X7R-±10%-16V
GIN1N_IC
GND
RV9
68ohm-0402-±5%-1/16W
CV3
0.047uF-0402-X7R-±10%-16V
GIN0N_IC
AV_R
AV_L
AV_IN
GND
AV_R
AV_L
AV_IN
RI4
10Kohm-0402-±5%-1/16W
RI6
10Kohm-0402-±5%-1/16W
RI5
12Kohm-0402-±5%-1/16W
RI7
12Kohm-0402-±5%-1/16W
GND
GND
RI1
33ohm-0402-±5%-1/16W
CI1
0.047uF-0402-X7R-±10%-16V
RI2
75ohm-0402-±5%-1/16W
GND
AV_IN_IC
AV_R_IC
AV_L_IC
1
2
3
4
5
6
L
GND
R
GND
CVBS
GND
CN14
NC/RCA-319N-004(
黄、白、红)-密封
GND
SC_LIN
SCART_VIN
SCART_Bin
SCART_Rin
SC_ROUT
SC_LOUT
SC_RIN
SCART_VOUT
SCART_Gin
GND
GND
GND
GND
GND
GND
GND
SCART_ FS
SCART_ FB
SC_LIN
SC_RIN
SCART_VIN
RS5
33ohm-0402-±5%-1/16W
CS2
0.047uF-0402-X7R-±10%-16V
RS7
75ohm-0402-±5%-1/16W
GND
SCART_VIN_IC
RS9
10Kohm-0402-±5%-1/16W
RS16
10Kohm-0402-±5%-1/16W
RS15
12Kohm-0402-±5%-1/16W
RS20
12Kohm-0402-±5%-1/16W
GND
GND
SC_RIN_IC
SC_LIN_IC
SCART_Bin
SCART_Gin
SCART_Rin
GND
GND
RS6
75ohm-0402-±5%-1/16W
RS14
75ohm-0402-±5%-1/16W
RS19
75ohm-0402-±5%-1/16W
GND
CS1
0.047uF-0402-X7R-±10%-16V
CS4
0.047uF-0402-X7R-±10%-16V
CS7
0.047uF-0402-X7R-±10%-16V
RS4
33ohm-0402-±5%-1/16W
RS13
33ohm-0402-±5%-1/16W
RS17
33ohm-0402-±5%-1/16W
RS8
68ohm-0402-±5%-1/16W
CS3
0.047uF-0402-X7R-±10%-16V
GIN2N_IC
SCART_ FS
SCART_ FB
RS22
10Kohm-0402-±5%-1/16W
RS23
2K2ohm-0402-±5%-1/16W
RS27
75ohm-0402-±5%-1/16W
GND
GND
RS26
100ohm-0402-±5%-1/16W
SCART_ FB_IC
SCART_ FS_IC
SC_LOUT
SC_ROUT
CS11
NC/120pF-0402-NPO-±5%-50V
GND
RS24
0ohm-0402-±5%-1/16W
RS25
75ohm-0402-±5%-1/16W
GND
SCART_VOUT SCART_VOUT_IC
CS10
1000pF-0402-X7R-±10%-50V
CS13
1000pF-0402-X7R-±10%-50V
GND
GND
SC_ROUT_IC
SC_LOUT_IC
GND
GND
GND
AV_IN/OUT
AV_L_IN/OUT
AV_R_IN/OUT
RI15
NC/0ohm-0402-±5%-1/16W
RI16
NC/0ohm-0402-±5%-1/16W
RI17
NC/0ohm-0402-±5%-1/16W
RI18
NC/0ohm-0402-±5%-1/16W
AV_IN/OUT
AV_L_IN/OUT
RI19
NC/0ohm-0402-±5%-1/16W
RI20
NC/0ohm-0402-±5%-1/16W
AV_R_IN/OUT
SCART_VOUT
SC_LOUT
SC_ROUT
SCART_VIN
SC_RIN
SC_LIN
RV15
10Kohm-0402-±5%-1/16W
RV13
12Kohm-0402-±5%-1/16W
RV18
10Kohm-0402-±5%-1/16W
RV19
12Kohm-0402-±5%-1/16W
SCART_Gin_IC
SCART_Bin_IC
SCART_Rin_IC
AV_IN_IC
AV_R_IC
AV_L_IC
YPbPr_Y_IC
GIN1N_IC
YPbPr_Pr_IC
YPbPr_Pb_IC
VGA_RIN_IC
VGA_GIN_IC
GIN0N_IC
VGA_BIN_IC
VGA_VS_IC
VGA_HS_IC
TXD0/VGA_SDA_IC
RXD0/VGA_SCL_IC
PC_RIN_IC
PC_LIN_IC
SCART_VIN_IC
SC_RIN_IC
SC_LIN_IC
SCART_Gin_IC
GIN2N_IC
SCART_Bin_IC
SCART_Rin_IC
SCART_ FS_IC
SCART_ FB_IC
SCART_VOUT_IC
SC_LOUT_IC
SC_ROUT_IC
1
2
3
4
CN9
连接插座,connect jack,4Pin,D2.0,D,L=2.8mm,DIP,AMA
GND
GND
CI15
1000pF-0402-X7R-±10%-50V
CI12
NC/56pF-0402-NPO-±5%-50V
GND
CI13
NC/56pF-0402-NPO-±5%-50V
CI16
NC/56pF-0402-NPO-±5%-50V
CS14
NC/220pF-0402-NPO-±5%-50V
CS44
NC/56pF-0402-NPO-±5%-50V
GND
CS47
NC/56pF-0402-NPO-±5%-50V
GND
GND
CV7
NC/10pF-0402-NPO-±5%-50V
CV8
NC/10pF-0402-NPO-±5%-50V
CV9
NC/10pF-0402-NPO-±5%-50V
CI3
1uF-0402-X5R-±20%-16V
CI4
1uF-0402-X5R-±20%-16V
CV5
1uF-0402-X5R-±20%-16V
CV6
1uF-0402-X5R-±20%-16V
CS5
1uF-0402-X5R-±20%-16V
CS6
1uF-0402-X5R-±20%-16V
CS8
1uF-0402-X5R-±20%-16V
CS12
1uF-0402-X5R-±20%-16V
CI14
4700pF-0402-X7R-±10%-50V

Other manuals for Sharp LC-32CHG6242E

Related product manuals