EasyManua.ls Logo

Sharp QT-CD210 - Page 9

Sharp QT-CD210
32 pages
Print Icon
To Next Page IconTo Next Page
To Next Page IconTo Next Page
To Previous Page IconTo Previous Page
To Previous Page IconTo Previous Page
Loading...
QT-CD210/C
– 9 –
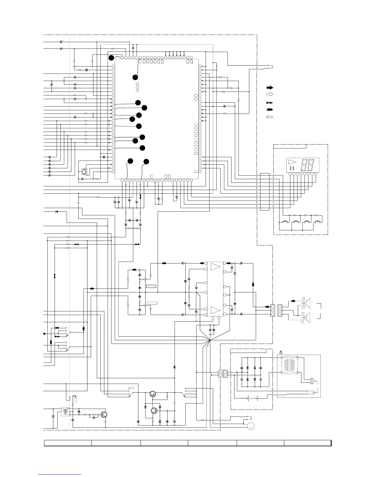
Figure 9 SCHEMATIC DIAGRAM (2/2)
78 9101112
• NOTES ON SCHEMATIC DIAGRAM can be found on page 12.
C216
0.1(ML)
C215
0.1(ML)
C220
1/50
C241
47/16
C219
1/50
C832
47/16
C238
100/10
C237
100/10
D201
1N4148
C651
0.022
R232
120
C236
100/10
R231
120
C235
100/10
R216
2.2K
R215
2.2K
C226
0.022
R860
100
R835
270
R836
270
R837
10K
R838
10K
C851
3.3/50
C849
0.0022
C847
22/16
C848
22/16
C853
0.022
C844
100/10
L801
0.82µH
D801
1N4004
LCD801
LCD DISPLAY
8
7
6
5
4
321
FW806
R848
2.2K
SW804
CUE/UP
SW803
REVIEW/
DOWN
SW802
STOP
SW801
PLAY/
PAUSE
R849
6.8K
R847
1K
Q
803
K
RC107 M
S
WITCHING
C240
0.1
C239
0.1
C225
100/10
IC201
TA8227P
POWER
AMP.
12
11
10
9
8
7
6
5
4
3
2
1
R222
1K
C222
0.001
C221
0.001
R221
1K
C218
0.0015
VR201-A
20K(B)
C217
0.0015
R219
1K
R220
2.7K
R843
3.3K
C204
0.022
D203
1N4148
Q204
KTA1046 Y
REGULATOR
Q205
KTC3199 GR
C203
0.01
D202
1N4148
R201
2.2K
R202
4.7K
ZD201
DZ5.1BSB
R203
560
C202
47/16
SW201-A
D651
1N4004
SW201
FUNCTION
SELECTOR
SW201-C
SW201-B
C652
0.022
C824
0.022
C855
0.022
C653
0.022
D652
1N4004
CNS602
CNP602
R230
2.7
C854
0.0068
R456
15K
R455
15K
R457
1K
R458
1K
CNP201
C233
470/10
C234
470/10
R820
47K
C840
0.047
C823
0.022
X801
16.93MHz
R833
3.3K
R821
22K
C833
0.033(ML)
R834
3.3K
C838
0.047(ML)
R812
1K
80
79
78
77
76
75
74
73
72
71
70
69
68
67
66
65
64
63
62
61
60
59
58
57
56
55
54
53
52
51
50
30
29
28
27
26
25
24
23
22
21
20
19
18
17
16
15
14
13
12
11
10
9
8
7
6
5
4
3
2
1
C846
10/16
R829
3.3K
R830
10K
C839
0.047(ML)
R861
3.3K
R831
3.3K
C
835
4
70P
C834
470P
R844
3.3K
R827
15K
C827
0.015(ML)
R832
3.3K
C836
0.047(ML)
R862
22K
C845
0.047
R824
10K
C825
47/16
C826
47P
C837
0.047(ML)
R828
10K
C829
0.0047
C828
0.0027
C830
0.01(ML)
R839
47K
R840
10
C227
3300/16
Q351
KTC3199 GR
L301
BIAS OSC.
R354
4.7
C353
0.0056(ML)
C351
0.0022
(ML)
R352
150
R353
33K
R351
100
C354
0.022(ML)
C352
100/10
SW102-D
SO651
AC INLET
SOCKET
AC120V,60Hz
T651
POWER
TRANSFORMER
FM
AM
BATTERY
DC 9V ["D" size (UM/SUM-1,R20 orHP-2)
battery x 6]
R-CH
L-CH
POWER PWB-A3
NC
SP202
SP201
MUTE
R-CH(CD)
L-CH(CD)
GND(AUDIO)
GND(POWER)
GND(CD)
SPEAKERS
L-CH
R-CH
4 OHM
4 OHM
+5V(CD)
SELECTOR
-
+
SW601
TAPE
MAIN
M601
TAPE
MOTOR
TAPE
AM
FM
CD
CD
FM
AM
TAPE
AC/DC
AC INPUT
-
-
+
+
R
TAPE
AM
FM
CD
CD
TAPE
PUSEL2
DISPLAY
TRAY CLOS
MVSS1
MVDD1
CDSEL0
SEG1
COM1
MVDD
MVSS
MXI
MXO
REMO-IN
RYNCREC
RESET
DVSL
LO
DVRL
DVDD
DVRR
RO
DVSR
TEST0
SPCK
SPDA
COFS
DOUT
SBSY
SBOK
VDD1
VSS1
P2VREF
PDO
TMAX
LPFN
LPFO
PVREF
VCOF
AVSS
SLCO
RFI
AVDD
RFCT
RFZI
RFRP
FEI
SBAD
TEI
TEZI
FOO
TRO
VREF
RFGC
TEBC
FMO
DMO
2VREF
SEL
VDD2
VSS2
XI
XO
XVDD
SEG2
SEG3
SEG4
SEG5
SEG6
SEG7
SEG8
SEG9
SEG10
SEG11
SEG12
SEG13
SEG14
DOOR IN
DOOR OUT
ADIN1
ADIN2
MUTE
PU IN
TEST1
TEST2
TEST3
TEST4
TEST5
/HSO
CDSEL1
TRAY OPEN
PUSEL0
PUSEL
XVSS
COM2
COM3
COM4
NC
CD CONTROL PWB-A2
1
1
10
CNS201
1
2
3
4
5
19
23
22
21
20
13
17
16
15
14
12
8
9
10
11
M
1
2
2
1
1
2
3
1
2
3
3
2
1
4
6
3
2
1
12
11
10
10
R826
220K
R846
330
NC
NC
NC
NC
NC
NC
NC
NC
NC
NC
NC
NC
NC
NC
NC
NC
NC
NC
NC
NC
NC
NC
NC
NC
NC
NC
NC
NC
NC
49
48
47
46 45 44
43 42 41 40 38
37 36
35 34 33 32
31
39
NC
NC
NC
81
82
83 84 85 86 87
88
89 90 91
92
93 94
95
96 97 98 99
100
C850
0.0022
C852
3.3/50
VR201-B
20K(B)
C654
0.022
D654
1N4004
D653
1N4004
P
NC
NC
IC802
SERVO/
SIGNAL CONTROL
TC9457F0
A
LIZER AMP.
SW201
FUNCTION
SELECTOR
SW201-D
SW201
FUNCTION
SELECTOR
+
+
-
-
RECORD SIGNAL
PLAYBACK SIGNAL
CD SIGNAL
FM SIGNAL
AM SIGNAL
VOLUME
VOLUME
SW102
RECORD/
PLAYBACK
SW810
CD LID
OPEN/CLOSE
9.05V
5.08V
8.44V
4.39V
8.44V
4.96V
2.49V
2.49V
2.49V
2.49V
2.49V
2.49V
2.49V
2.49V
2.49V
2.49V
2.49V
2.49V
2.49V
2.49V
0V
0V
0V
0V
4.98V
0V
0V
0V
0V
4.98V
0V
4.98V
4.98V
0V
4.97V
0V
0V
0V
0V
0V
0V
0V
0V
0V
4.97V
2.49V
0.43V(2.36V)
( ): STOP
1.66V
2.46V
0V
4.97V(0V)
4.98V
0V
4.18V
2.10V
2.08V
(0V)
2.10V(1.34V)
51
2.01V(4.12V)
52
2.10V
53
1.50V
0V
2.10V
2.10V
4.98V
2.10V
2.10V
2.73V(1.15V)
2.30V(2.1V)
2.94V(0.989V)
2.14V
2.14V
2.18V
2.11V
2.10V
2.14V
2.10V
2.10V
2.17V
4.18V
2.47V(0V)
4.97V
0V
0V
2.08V
2.57V
4.92V
0V
2.48V
2.37V
4.72V
2.36V
2.47V
0V
0V
0V
4.95V
0V
4.96V
4.96V
0.30V
0V
4.96V
2.33V
2.33V
2.33V
2.33V
STOP
4.97V(5.0V)
0V
3.32V
0.68V
8.35V
4.27V
8.01V
0V
0V
0.56V
0V
0V
0.56V
4.67V
0V
8.02V
4.33V
9.05V
13
14
+B
+B
+B
+B
+B
+B
+B
+B
+B
+B
+B
+B
+B
+B
+B
+B
4
5
1
7
6
12
14
15
11
17
16
RECORDING
BIAS OSCILATOR
SWITCHING
12
13

Related product manuals