EasyManua.ls Logo

Sharp R-409EW - Page 9

Sharp R-409EW
40 pages
Print Icon
To Next Page IconTo Next Page
To Next Page IconTo Next Page
To Previous Page IconTo Previous Page
To Previous Page IconTo Previous Page
Loading...
7
R-409EW
R-410EK
R-410EW
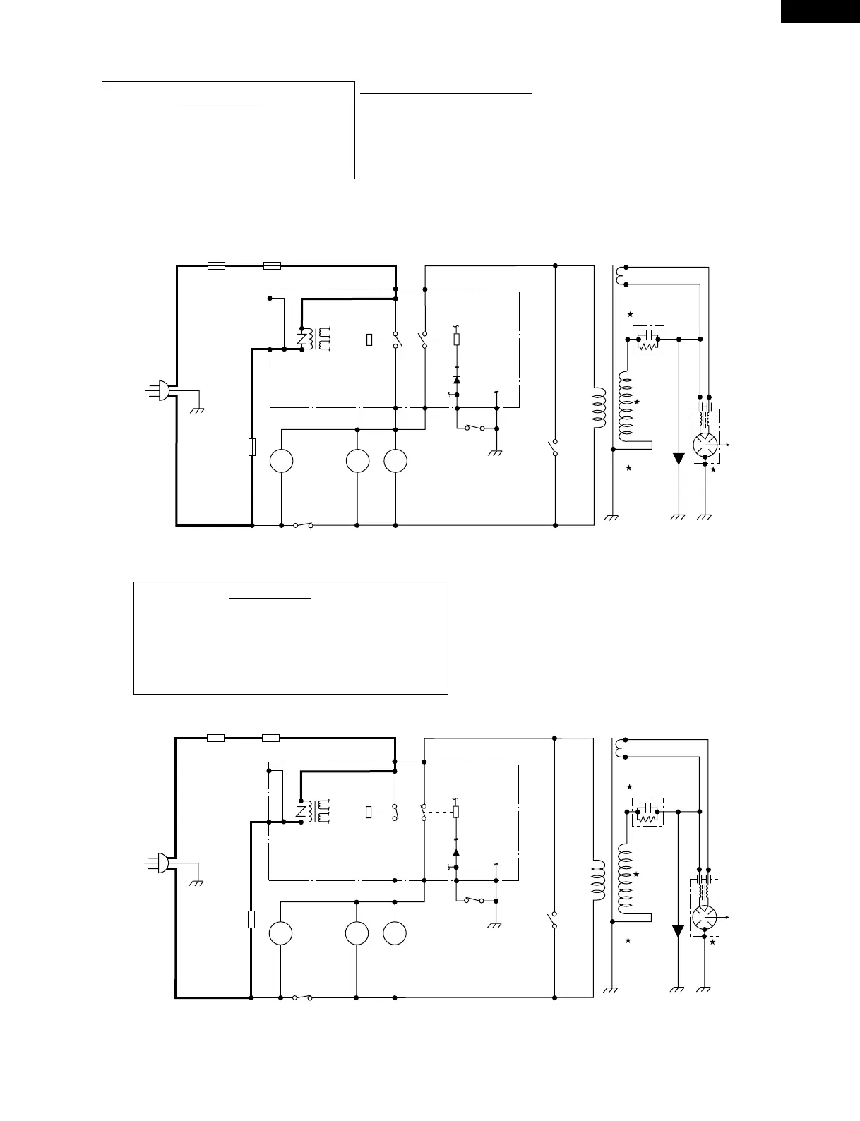
Figure O-2 Oven Schematic - Cooking Condition
Figure O-1 Oven Schematic - Off Condition
SCHEMATIC
NOTE: CONDITION OF OVEN
1. Door Closed
2. CLOCK APPEARS ON DISPLAY
SCHEMATIC
3. VARIABLE COOKING CONTROL "HIGH"
2. COOKING TIME PROGRAMMED
1. DOOR CLOSED
NOTE: CONDITION OF OVEN
4. "START" PAD TOUCHED
Note:* Indicates component
120V AC
60 Hz
OVEN
LAMP
TURN-
TABLE
MOTOR
FAN
MOTOR
MONITOR
SWITCH
H.V. RECTIFIER
MAGNETRON
SECONDARY
INTERLOCK
SWITCH
TTM
OL FM
MONITOR
FUSE 20A
CAVITY
TEMP.
FUSE
MAGNETRON
TEMP.
FUSE
A1
A2
COM.
COM.
COM.N.O.
N.C.
N.O.
DOOR
SENSING
SWITCH
(RY-1)
(RY-2)
CONTROL UNIT
PRIMARY
INTERLOCK
RELAY
B1 B2
GRN
POWER
TRANSFORMER
CAPACITOR 1.0µF
AC 2300V
120V AC
60 Hz
OVEN
LAMP
TURN-
TABLE
MOTOR
FAN
MOTOR
MONITOR
SWITCH
H.V. RECTIFIER
MAGNETRON
SECONDARY
INTERLOCK
SWITCH
TTM
OL FM
MONITOR
FUSE 20A
CAVITY
TEMP.
FUSE
MAGNETRON
TEMP.
FUSE
A1
A2
COM.
COM.
COM.N.O.
N.C.
N.O.
DOOR
SENSING
SWITCH
(RY-1)
(RY-2)
CONTROL UNIT
PRIMARY
INTERLOCK
RELAY
B1 B2
GRN
POWER
TRANSFORMER
CAPACITOR 1.0µF
AC 2300V

Related product manuals