EasyManua.ls Logo

Sharp R-410LK - Oven Schematic

Sharp R-410LK
40 pages
Print Icon
To Next Page IconTo Next Page
To Next Page IconTo Next Page
To Previous Page IconTo Previous Page
To Previous Page IconTo Previous Page
Loading...
R410LW
6 – 2
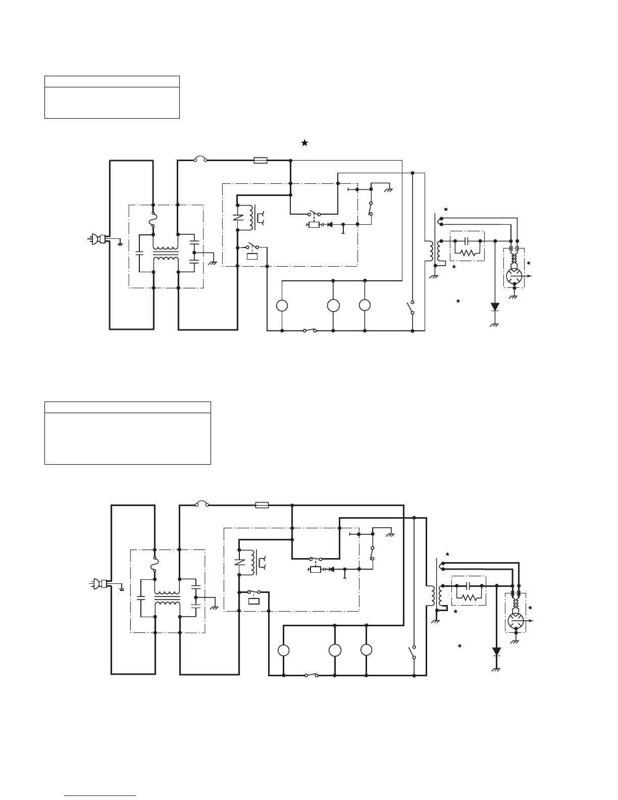
[2] OVEN SCHEMATIC
1. Off Condition
Figure O-1. Oven Schematic-Off Condition
2. Cooking Condition
Figure O-2. Oven Schematic-Cooking Condition
SCHEMATIC
NOTE: CONDITION OF OVEN
1. DOOR CLOSED
2. CLOCK APPEARS ON DISPLAY
SCHEMATIC
NOTE: CONDITION OF OVEN
1. DOOR CLOSED.
2. COOKING TIME PROGRAMMED.
3. VARIABLE COOKING CONTROL "P-HI".
4. START PAD TOUCHED.
NOTE: " " indicates components with potentials above 250V
OVE
N
THE
RM
A
L
CUT-O
UT
120VAC
60Hz
WHT
GRN
B2
B1
CONTROL UNIT
MAGNETRON
TEM
P
E
RAT
U
RE
FUSE
(RY2)
DOOR
SENSING
SWITCH
TTM
FM
OL
TURN
TABLE
MOTOR
FAN
MOTOR
OVEN
LAMP
MONITOR
SWITCH
PRIMARY INTERLOCK
SWITCH
POWER TRANSFORMER
MAGNETRON
HIGH
VOLTAGE
CAPACITOR
0.94uF/ AC2200V
SECONDARY
INTERLOCK
RELAY
GND
(RY1)
OVEN
LAMP
RELAY
COM.
N.O.
COM.
N.C.
HIGH
VOLTAGE
RECTIFIER
H
N
C3
C2
C1
C1: LINE CROSS CAPACITOR ------- 0.22uF/ AC250V
C2, C3: LINE BYPASS CAPACITOR ------ 0.033uF/ AC250V
BLK
NOISE
FILTER
MONITOR
FUSE (20A)
"TO LOAD"
"TO LOAD"
"TO SOURCE"
"TO SOURCE"
OV
E
N
THE
RMALCUT
-OUT
120VAC
60Hz
WHT
GRN
B2
B1
CONTROL UNIT
M
A
GNETRON
TE
MPE
RATURE
F
USE
(RY2)
DOOR
SENSING
SWITCH
TTM
FM
OL
TURN
TABLE
MOTOR
FAN
MOTOR
OVEN
LAMP
MONITOR
SWITCH
PRIMARY INTERLOCK
SWITCH
POWER TRANSFORMER
MAGNETRON
HIGH
VOLTAGE
CAPACITOR
0.94uF/ AC2200V
SECONDARY
INTERLOCK
RELAY
GND
(RY1)
OVEN
LAMP
RELAY
COM.
N.O.
COM.
N.C.
HIGH
VOLTAGE
RECTIFIER
H
N
C3
C2
C1
BLK
NOISE
FILTER
MONITOR
FUSE (20A)
"TO LOAD"
"TO LOAD"
"TO SOURCE"
"TO SOURCE"
C1: LINE CROSS CAPACITOR ------- 0.22uF/ AC250V
C2, C3: LINE BYPASS CAPACITOR ------ 0.033uF/ AC250V

Table of Contents

Related product manuals