EasyManua.ls Logo

Sharp R-610DKA - Page 32

Sharp R-610DKA
40 pages
Print Icon
To Next Page IconTo Next Page
To Next Page IconTo Next Page
To Previous Page IconTo Previous Page
To Previous Page IconTo Previous Page
Loading...
30
R-610DKA
R-610DWA
R-610DSA
6
45
1
2
3
6
45
1
2
3
A
B
C
D
E
F
G
H
A
B
C
D
E
F
G
H
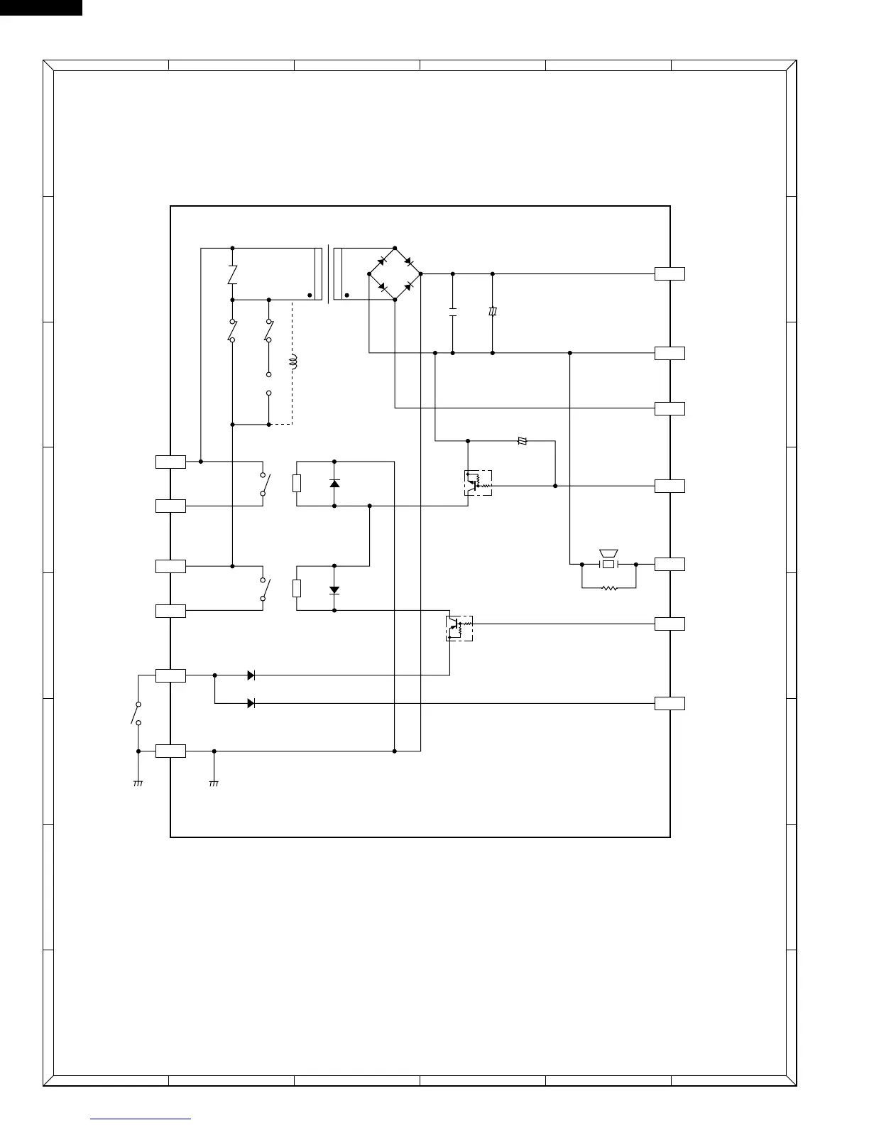
Figure S-2. Power Unit Circuit
NO
C 1
C 2
C 3
C 4
C 6
C 5
C 7
COM
COM
B-2
B-1
NO
+
+
AC(N)
OVEN LAMP
TURNTABLE
MOTOR
FAN MOTOR
OVEN LAMP
TURNTABLE
MOTOR
FAN MOTOR
GND
VR
INT
BUZZER
MICRO
CN-C
VRS1
10G471K
a
b(J1)
C1 0.1µ/50v
D21
1SS270A
D22
1SS270A
C2 1000µ/25v
C21 10µ/35v
D20 1SS270A
D40 1SS270A
R4 3.3k 1/4w
Q21
DTD143ES
Q22
DTA143ES
SP1
PKM22EPT
T1
1 7
D3
D4
RY1
RY2
D2
D1
D1-D4
1N4002
34
c
d
AC(H)
CN-B
MICRO
DOOR
SENSING
SWITCH
DOOR
SENSING
SWITCH

Related product manuals