EasyManua.ls Logo

Sharp R-642WE - Schematic Diagram

Sharp R-642WE
33 pages
Print Icon
To Next Page IconTo Next Page
To Next Page IconTo Next Page
To Previous Page IconTo Previous Page
To Previous Page IconTo Previous Page
Loading...
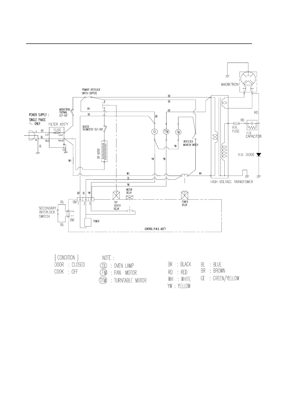
SCHEMATIC DIAGRAM

Related product manuals