EasyManua.ls Logo

Sharp R-7A53 - Instant Cook

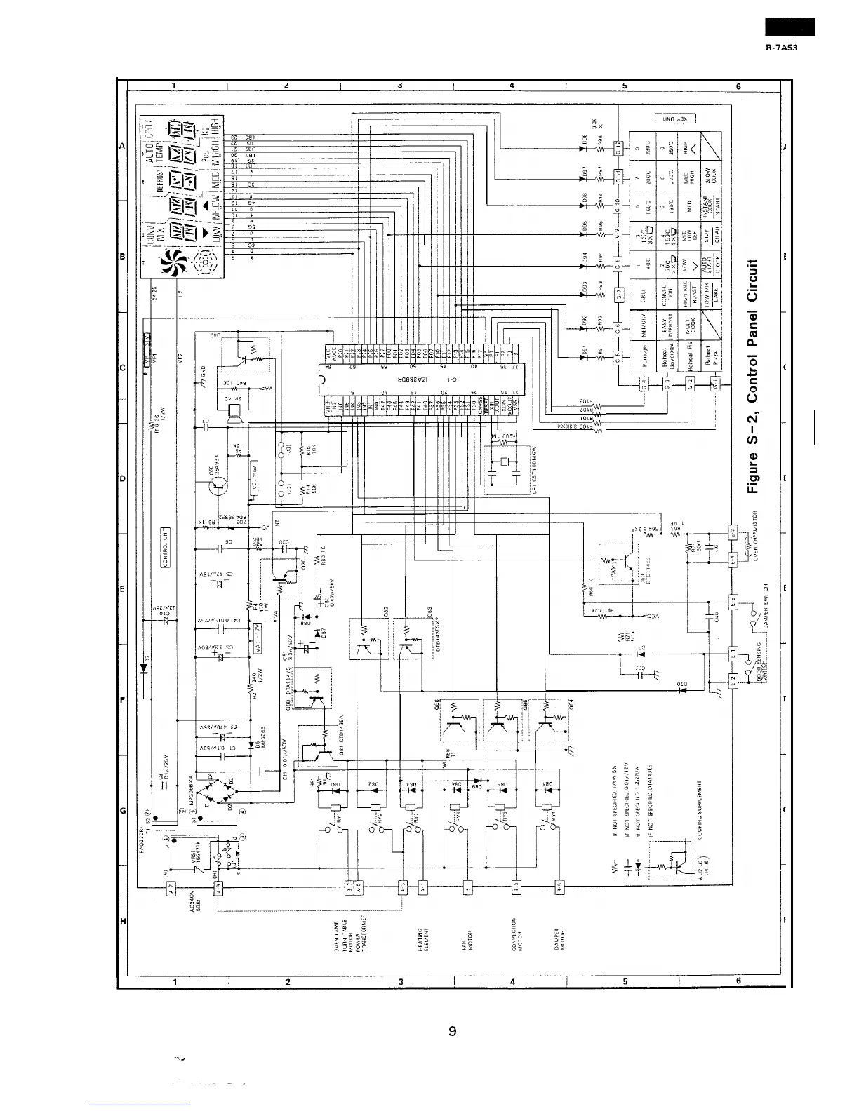
Sharp R-7A53
21 pages
Print Icon
To Next Page IconTo Next Page
To Next Page IconTo Next Page
To Previous Page IconTo Previous Page
To Previous Page IconTo Previous Page
Loading...
9

Other manuals for Sharp R-7A53

Related product manuals